Запчасти Komatsu PC20-3 ПОВОРОТНОЕ СОЕДИНЕНИЕ ХОД И КОНЕЧНАЯ ПЕРЕДАЧА

Схема запчастей Komatsu PC20-3 - ПОВОРОТНОЕ СОЕДИНЕНИЕ ХОД И КОНЕЧНАЯ ПЕРЕДАЧА
FIT
1:1
100%

Артикул

Название

Примечание

Количество

|$0

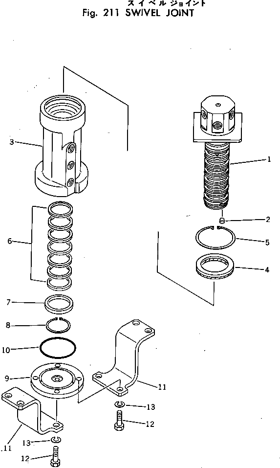
703-05-12110

SWIVEL JOINT ASS'Y

1

703-05-92120

SHAFT

2

07043-20108

PLUG

3

703-05-91120

ROTOR

4

703-05-96110

SEAL,OIL

5

04065-08225

RING,SNAP

6

703-05-95111

SEAL,SLIPPER

7

703-05-94110

RING

8

04064-05020

RING,SNAP

9

703-05-93120

COVER

10

07000-22075

O-RING

11

703-05-98120

PLATE

12

01010-51035

BOLT

13

01602-21030

WASHER,SPRING

Выбрано товаров: 14