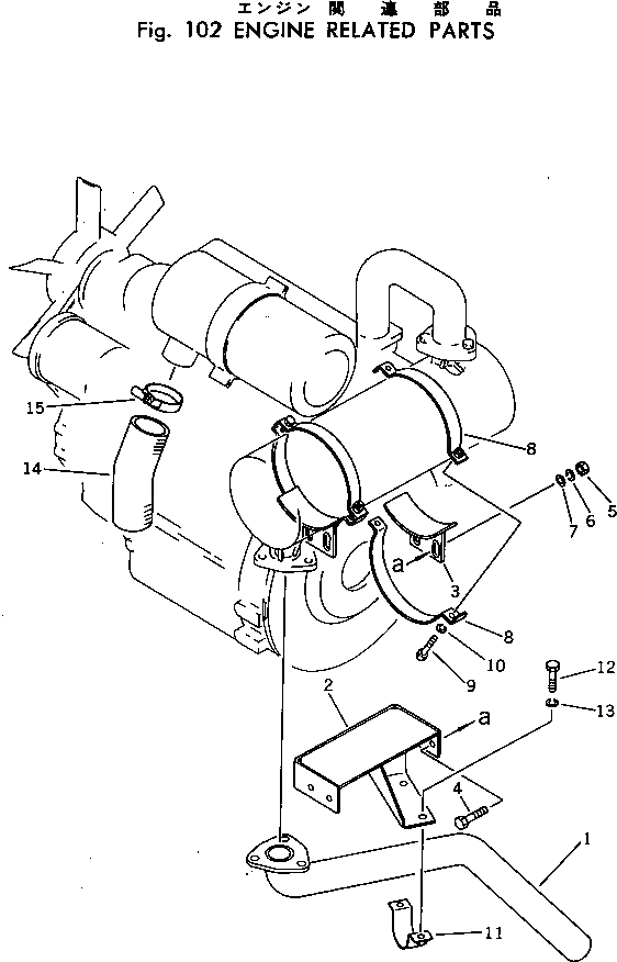
Запчасти Komatsu PC20-3 КОМПОНЕНТЫ ДВИГАТЕЛЯ КОМПОНЕНТЫ ДВИГАТЕЛЯ И ЭЛЕКТРИКА

Схема запчастей Komatsu PC20-3 - КОМПОНЕНТЫ ДВИГАТЕЛЯ КОМПОНЕНТЫ ДВИГАТЕЛЯ И ЭЛЕКТРИКА
FIT
1:1
100%

Артикул

Название

Примечание

Количество

1

20R-01-27130

HOSE

2

20R-01-27170

BRACKET

3

20R-01-27150

BRACKET

4

01010-31025

BOLT

5

01580-01008

NUT

6

01602-01030

WASHER,SPRING

7

01643-31032

WASHER

8

20R-01-27220

CLAMP

9

01010-30830

BOLT

10

01602-00825

WASHER,SPRING

11

20R-01-27160

CLAMP

12

01010-31020

BOLT

13

01602-01030

WASHER,SPRING

14

20R-01-27310

HOSE

15

07281-00709

CLAMP

Выбрано товаров: 15