Запчасти Komatsu PC20-3 ГИДР. НАСОС. (/) ГИДРАВЛИКА

Схема запчастей Komatsu PC20-3 - ГИДР. НАСОС. (/) ГИДРАВЛИКА
FIT
1:1
100%

Артикул

Название

Примечание

Количество

|$0

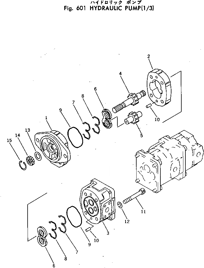
705-56-14000

PUMP ASS'Y

|$1

705-22-22000

PUMP ASS'Y,(SAR 12)

1

BRACKET

2

CASE,GEAR

3

CARRIER ASS'Y

4

GEAR,DRIVE

5

GEAR,DRIVEN

6

PLATE,SIDE

7

RING,BACK-UP

8

SEAL,SEAL

9

O-RING

10

PIN,DOWEL

11

BOLT

12

WASHER,SPRING

13

705-17-01870

PLATE

14

704-17-01810

SEAL,OIL

15

04065-03515

RING,SNAP

Выбрано товаров: 0