Запчасти Komatsu PC20-3 ГИДР. НАСОС. (/) ГИДРАВЛИКА

Схема запчастей Komatsu PC20-3 - ГИДР. НАСОС. (/) ГИДРАВЛИКА
FIT
1:1
100%

Артикул

Название

Примечание

Количество

|$0

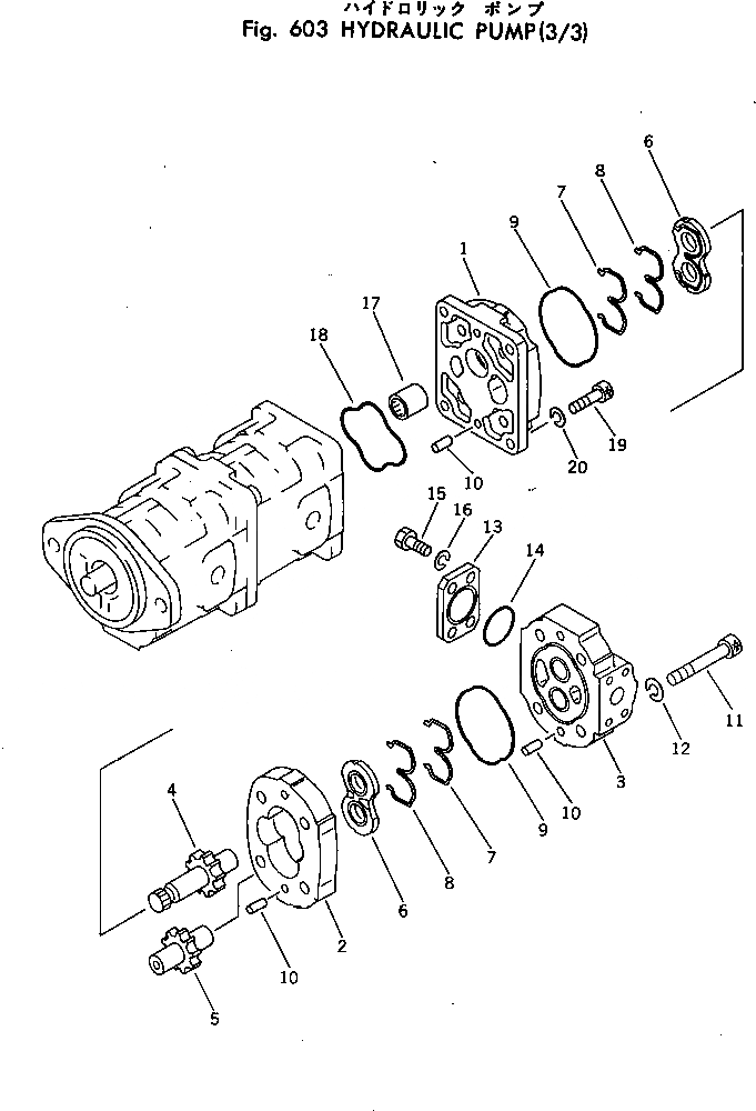
705-56-14000

PUMP ASS'Y

|$1

705-12-21530

PUMP ASS'Y,(SAR 12)

1

BRACKET ASS'Y

2

CASE,GEAR

3

COVER

4

GEAR,DRIVE

5

GEAR,DRIVEN

6

PLATE,SIDE

7

RING,BACK-UP

8

SEAL,SEAL

9

O-RING

10

PIN,DOWEL

11

BOLT

12

WASHER,SPRING

13

705-17-01880

PLATE

14

07000-03032

O-RING

15

01010-51025

BOLT

16

01602-21030

WASHER,SPRING

17

705-17-01330

COUPLING ASS'Y

18

705-17-01480

O-RING

19

705-17-02374

BOLT

20

01602-21030

WASHER,SPRING

Выбрано товаров: 22