Запчасти Komatsu PC20-3 MODIFIED ЧАСТИ (ДЛЯ SERVICE ТРУБЫ) ОПЦИОННЫЕ КОМПОНЕНТЫ

Схема запчастей Komatsu PC20-3 - MODIFIED ЧАСТИ (ДЛЯ SERVICE ТРУБЫ) ОПЦИОННЫЕ КОМПОНЕНТЫ
FIT
1:1
100%

Артикул

Название

Примечание

Количество

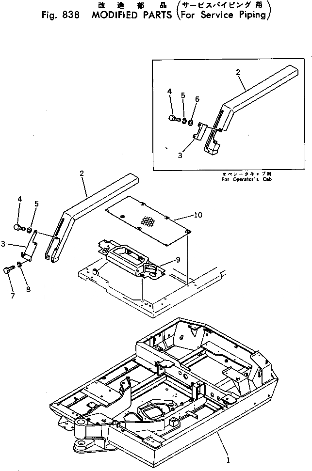
1

20R-973-2220

FRAME

2

20S-973-1240

COVER

2

20S-973-1360

COVER,(FOR CAB)

3

20S-973-1250

COVER

3

20S-973-1620

COVER,(FOR CAB)

4

01010-50825

BOLT

4

01010-50820

BOLT,(FOR CAB)

5

01602-20825

WASHER,SPRING

6

01643-30823

WASHER,(FOR CAB)

7

01010-51025

BOLT

8

01602-21030

WASHER,SPRING

9

20S-973-1110

FLOOR

10

20S-973-1120

FLOOR

Выбрано товаров: 13