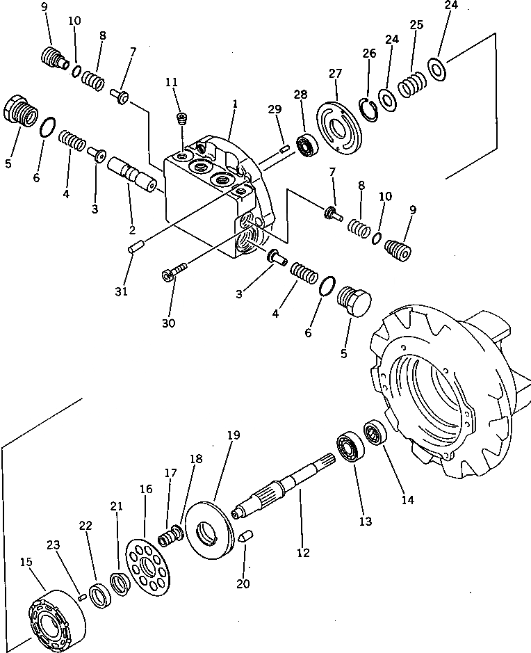
Запчасти Komatsu PC20-5 МОТОР ХОДА (/) (ДЛЯ ЯПОН.) ХОД И КОНЕЧНАЯ ПЕРЕДАЧА

Схема запчастей Komatsu PC20-5 - МОТОР ХОДА (/) (ДЛЯ ЯПОН.) ХОД И КОНЕЧНАЯ ПЕРЕДАЧА
FIT
1:1
100%

Артикул

Название

Примечание

Количество

|1

20R-60-31100

TRAVEL MOTOR ASS'Y

|1

TZ314A2101-00

FLANGE ASS'Y

1

FLANGE

2

SPOOL

3

TZ300A2052-00

STOPPER

4

TZ300A2056-00

SPRING

5

TZ300A2051-00

PLUG

6

07000-13022

O-RING (KIT)

7

TZ300A2054-00

VALVE

8

TZ300A2055-00

SPRING

9

TZ300A2053-00

PLUG

10

07000-12012

O-RING (KIT)

11

TZHP0001-4

PLUG

12

TZ310A2002-00

SHAFT

13

06000-06202

BEARING

14

TZOS-153007

SEAL (KIT)

15

BLOCK

16

PLATE

|17

TZ300A2102-00

PISTON ASS'Y

17

PISTON

18

SHOE

19

PLATE

20

TZ300A2017-00

PIN

21

BALL

22

TZ300A2011-00

WASHER KIT

23

TZPP0020-08

PIN

24

TZ300A2010-00

WASHER

25

TZ300A2014-00

SPRING

26

TZ1R03212

RING

27

PLATE

28

06000-06001

BEARING

29

TZPP0040-10

PIN

30

01252-30825

BOLT

31

TZPP0080-20

PIN

Выбрано товаров: 34