Запчасти Komatsu PC20-5 ГУСЕНИЧНАЯ РАМА(№8-7) ХОДОВАЯ

Схема запчастей Komatsu PC20-5 - ГУСЕНИЧНАЯ РАМА(№8-7) ХОДОВАЯ
FIT
1:1
100%

Артикул

Название

Примечание

Количество

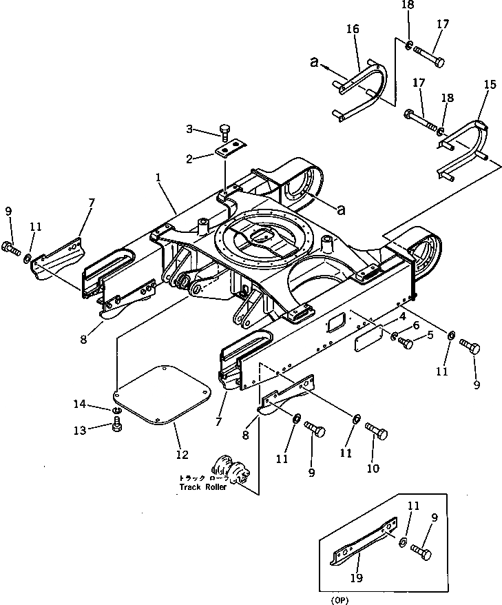
1

20R-30-31110

FRAME,TRACK

2

20R-30-11190

PLATE

3

01010-51225

BOLT

4

20R-30-21170

COVER

5

01010-51020

BOLT

6

01602-21030

WASHER,SPRING

7

20S-30-21160

GUARD

8

20S-30-21150

GUARD

9

01010-51435

BOLT

10

01010-51440

BOLT

11

01643-31445

WASHER

12

20S-30-21120

COVER

13

01010-51016

BOLT

14

01602-21030

WASHER,SPRING

15

20S-30-21130

COVER

16

20S-30-21140

COVER

17

01010-51085

BOLT

18

01602-21030

WASHER,SPRING

19

20S-30-11530

GUARD (OP)

Выбрано товаров: 19