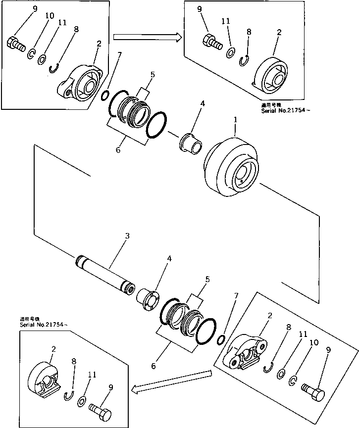
Запчасти Komatsu PC20-5 ОПОРНЫЙ КАТОК (ДЛЯ РЕЗИН. SHOE) ХОДОВАЯ

Схема запчастей Komatsu PC20-5 - ОПОРНЫЙ КАТОК (ДЛЯ РЕЗИН. SHOE) ХОДОВАЯ
FIT
1:1
100%

Артикул

Название

Примечание

Количество

|1

20R-30-00061

TRACK ROLLER ASS'Y

|1

20R-30-00060

TRACK ROLLER ASS'Y

1

20S-30-23150

ROLLER

2

20N-30-44125

COLLAR

|2

20S-30-21310

COLLAR

3

10E-30-14130

SHAFT

4

10E-30-14140

BUSHING

|5

110-30-00045

FLOATING SEAL ASS'Y

5

101-30-00130

SEAL RING ASS'Y

|5

RING,SEAL

6

101-30-00140

O-RING ASS'Y

|6

O-RING

7

07000-02021

O-RING

8

20R-30-11270

RING,SNAP

9

01010-51435

BOLT

10

01602-21442

WASHER,SPRING

11

01643-31445

WASHER

Выбрано товаров: 17