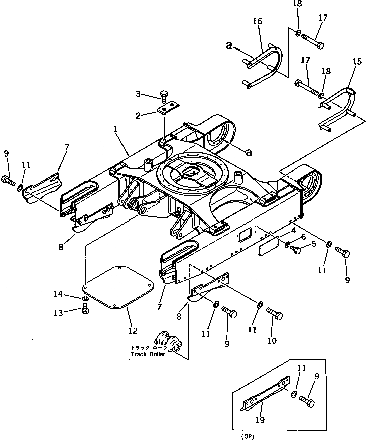
Запчасти Komatsu PC20-5 ГУСЕНИЧНАЯ РАМА(№8-7) ХОДОВАЯ
1
20R-30-31110
FRAME,TRACK
2
20R-30-11190
PLATE
3
01010-51225
BOLT
4
20R-30-21170
COVER
5
01010-51020
BOLT
6
01602-21030
WASHER,SPRING
7
20S-30-21160
GUARD
8
20S-30-21150
GUARD
9
01010-51435
BOLT
10
01010-51440
BOLT
11
01643-31445
WASHER
12
20S-30-21120
COVER
13
01010-51016
BOLT
14
01602-21030
WASHER,SPRING
15
20S-30-21130
COVER
16
20S-30-21140
COVER
17
01010-51085
BOLT
18
01602-21030
WASHER,SPRING
19
20S-30-11530
GUARD (OP)
Выбрано товаров: 0