Запчасти Komatsu PC20-5 ПРУЖИНА ХОДОВАЯ

Схема запчастей Komatsu PC20-5 - ПРУЖИНА ХОДОВАЯ
FIT
1:1
100%

Артикул

Название

Примечание

Количество

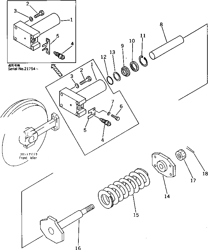
1

20S-30-21510

CYLINDER

1

20R-30-21511

CYLINDER

1

20R-30-21510

CYLINDER

2

01010-51260

BOLT

2

01010-51270

BOLT

3

01643-31232

WASHER

3

01602-21236

WASHER,SPRING

4

07959-20001

VALVE

4

07959-20000

VALVE

5

20S-30-21550

PLATE

5

20R-30-21530

PLATE

6

01010-50816

BOLT

7

01602-20825

WASHER,SPRING

8

20S-30-21520

ROD

8

20R-30-21521

ROD

8

20R-30-21520

ROD

9

07016-00407

SEAL,DUST

10

201-30-24170

SPACER

11

04065-05220

RING,SNAP

12

07000-13040

O-RING

13

20R-30-21550

RING,BACK-UP

13

07001-03040

RING,BACK-UP

14

20R-30-21140

PLATE

15

20R-30-21150

SPRING

16

20R-30-21160

ROD

16

20S-30-21530

ROD

17

01590-12226

NUT

18

04050-15040

PIN,COTTER

Выбрано товаров: 28