Запчасти Komatsu PC20-6 ГИДРОЛИНИЯ (ВОЗВРАТ.) УПРАВЛ-Е РАБОЧИМ ОБОРУДОВАНИЕМ

Схема запчастей Komatsu PC20-6 - ГИДРОЛИНИЯ (ВОЗВРАТ.) УПРАВЛ-Е РАБОЧИМ ОБОРУДОВАНИЕМ
FIT
1:1
100%

Артикул

Название

Примечание

Количество

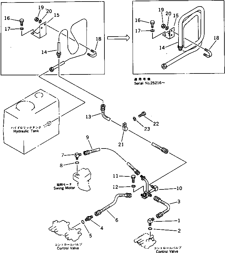
1

22X-61-13840

ELBOW

2

07002-02034

O-RING

3

07102-20504

HOSE

4

20S-62-31340

UNION

5

07002-02034

O-RING

6

07102-20604

HOSE

7

201-62-21650

ELBOW

8

07002-02034

O-RING

9

07102-20504

HOSE

10

20S-62-31350

TUBE

10

20S-62-31311

TUBE

11

01010-51025

BOLT

12

01602-21030

WASHER,SPRING

13

07102-21011

HOSE

14

20S-62-31322

TUBE

14

20S-62-31321

TUBE

15

20S-62-31332

BRACKET

15

20S-62-31331

BRACKET

16

01010-51025

BOLT

17

01643-31032

WASHER

18

07283-33442

CLIP

19

01599-01011

NUT

20

01643-31032

WASHER

21

411-03-11510

CLIP

22

01010-51020

BOLT

23

01602-21030

WASHER,SPRING

Выбрано товаров: 0