Запчасти Komatsu PC20-6 ГИДРОЛИНИЯ (ХОД И ОТВАЛ ЛИНИЯ) (ДЛЯ 2 СКОРОСТЬ ДВИЖЕНИЯ) (OP) УПРАВЛ-Е РАБОЧИМ ОБОРУДОВАНИЕМ

Схема запчастей Komatsu PC20-6 - ГИДРОЛИНИЯ (ХОД И ОТВАЛ ЛИНИЯ) (ДЛЯ 2 СКОРОСТЬ ДВИЖЕНИЯ) (OP) УПРАВЛ-Е РАБОЧИМ ОБОРУДОВАНИЕМ
FIT
1:1
100%

Артикул

Название

Примечание

Количество

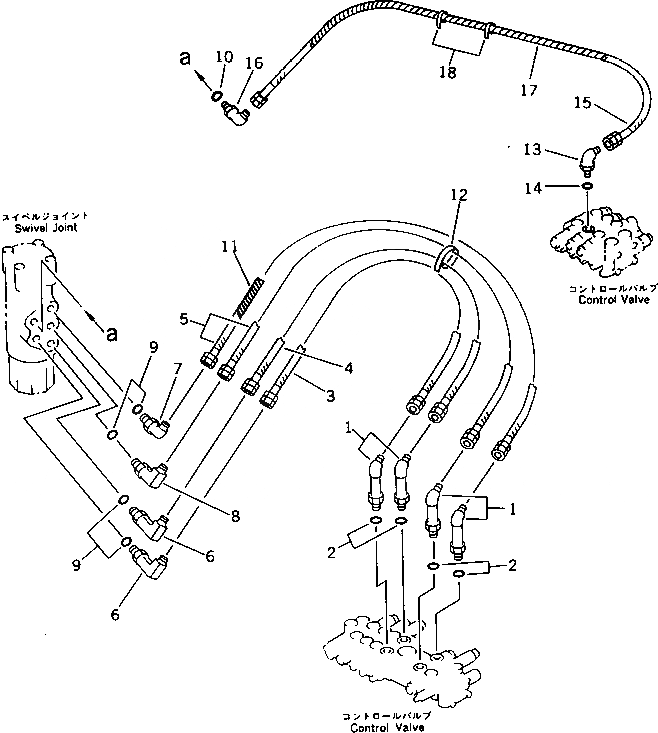
1

20T-62-61511

ELBOW

2

07002-11823

O-RING

3

20S-62-31480

HOSE

3

20S-62-21510

HOSE

4

20S-62-31490

HOSE

4

20S-62-21520

HOSE

5

20T-62-66510

HOSE

5

20T-62-61520

HOSE

6

20R-62-21520

ELBOW

7

07235-10422

ELBOW

8

20T-62-56560

ELBOW

9

07002-12034

O-RING

10

07002-02034

O-RING

11

203-62-32440

COVER

12

08034-00536

BAND

13

20T-62-66180

ELBOW,(FOR 2ND TRAVEL SPEED) (OP)

14

07002-11823

O-RING,(FOR 2ND TRAVEL SPEED) (OP)

15

20S-62-31520

HOSE,(FOR 2ND TRAVEL SPEED) (OP)

16

07235-10315

ELBOW,(FOR 2ND TRAVEL SPEED) (OP)

17

203-62-32440

COVER,(FOR 2ND TRAVEL SPEED) (OP)

18

08034-00536

BAND,(FOR 2ND TRAVEL SPEED) (OP)

Выбрано товаров: 21