Запчасти Komatsu PC20-6 МАРКИРОВКА (АНГЛ.) МАРКИРОВКА¤ ИНСТРУМЕНТ И РЕМКОМПЛЕКТЫ

Схема запчастей Komatsu PC20-6 - МАРКИРОВКА (АНГЛ.) МАРКИРОВКА¤ ИНСТРУМЕНТ И РЕМКОМПЛЕКТЫ
FIT
1:1
100%

Артикул

Название

Примечание

Количество

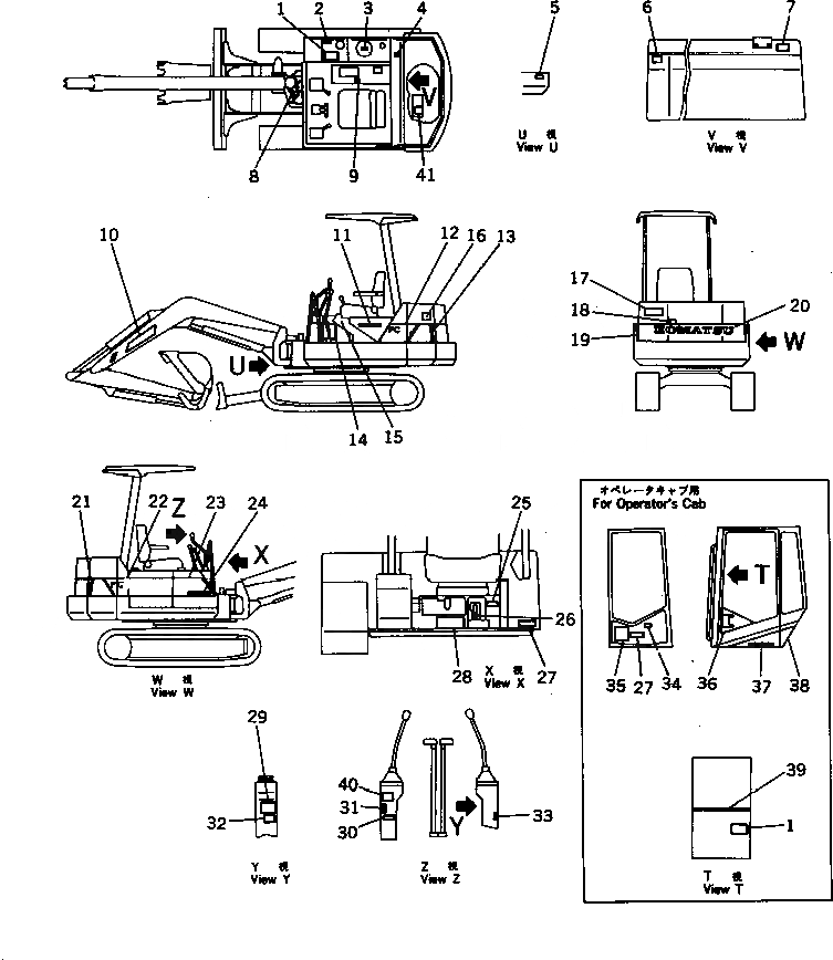
1

20R-98-42120

PLATE, OPERATING,(FOR CAB)

1

20R-98-42110

PLATE, OPERATING,(FOR CANOPY)

2

09652-30121

PLATE, CAUTION,FUEL TANK

3

201-98-29160

PLATE, CAUTION,HYDRAULIC TANK

4

09653-03000

PLATE, SAFETY,HYDRAULIC TANK

5

09601-00835

PLATE, NAME,(LIMITED SUPPLY)

5

04418-13060

SCREW

6

20S-98-12230

PLATE, CAUTION,FUEL FILTER

7

09668-03000

PLATE, SAFETY,RADIATOR CAP

8

20S-98-31250

PLATE, MARK,SYMBOL

9

09683-30060

PLATE, OPERATING,SWITCH

10

20S-98-21151

PLATE, MARK,KOMATSU

11

20S-98-31160

PLATE, MARK,KOMATSU

12

20R-98-41110

PLATE, MARK,PC20

13

20S-98-31440

PLATE, MARK,ACCENT

14

20R-98-42250

CHART, OIL,OIL

15

09696-10085

PLATE,EC, NOISE SUPPRESSION

16

09696-00097

PLATE,EC, NOISE SUPPRESSION

17

20T-98-22130

PLATE, SAFETY

18

09667-03000

PLATE, SAFETY,ENGINE COVER

19

20S-98-31410

PLATE, MARK,ACCENT

20

20S-98-31350

PLATE, MARK,KOMATSU

21

20S-98-31450

PLATE, MARK,ACCENT

22

20R-98-41110

PLATE, MARK,PC20

23

20S-98-31460

PLATE, MARK,ACCENT

24

20S-98-31170

PLATE, MARK,KOMATSU

25

09131-03000

PLATE, SAFETY,SWING LOCK PIN

26

09685-00002

PLATE, OPERATING,SWING LOCK LEVER

27

09657-03000

PLATE, SAFETY,TRACK TENSION

28

20S-98-32110

PLATE, CAUTION,TRACK LOADING

29

09132-03000

PLATE, SAFETY

30

09651-03000

PLATE, SAFETY,BEFORE OPERATING

31

09685-00002

PLATE, OPERATING,LEVER LOCK

32

09173-03000

PLATE, SAFETY,INSPECTION AND MAINTENANCE

33

09685-00002

PLATE, OPERATING,LEVER LOCK

34

20T-98-22160

PLATE, OPERATING,DOOR LOCK

35

20R-98-42250

CHART, OIL,OIL

36

20S-98-21260

PLATE, MARK,DOOR KNOB

37

20S-98-31160

PLATE, MARK,KOMATSU

38

20S-98-31260

PLATE, MARK,DOOR

39

20T-98-22410

PLATE, CAUTION,CENTER SASH

40

20S-98-32230

PLATE, OPERATING,(BOOM SWING)

41

20S-98-12220

PLATE, INSTRUCTION,AIR CLEANER

Выбрано товаров: 43