Запчасти Komatsu PC20-6 ПРУЖИНА ХОДОВАЯ

Схема запчастей Komatsu PC20-6 - ПРУЖИНА ХОДОВАЯ
FIT
1:1
100%

Артикул

Название

Примечание

Количество

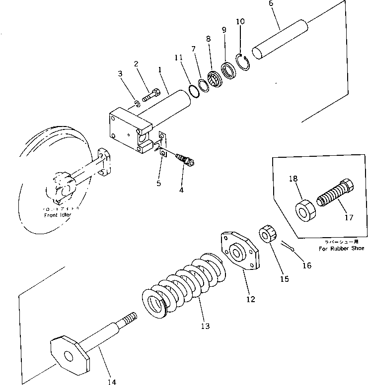
1

20T-30-41510

CYLINDER

1

20S-30-21510

CYLINDER

2

01010-51260

BOLT

3

01602-21236

WASHER,SPRING

4

07959-20001

VALVE

4

07959-20000

VALVE

5

20S-30-21550

PLATE

6

20T-30-41520

ROD

6

20S-30-21520

ROD

7

20R-30-21550

RING,BACK-UP

8

07016-00407

SEAL,DUST

9

201-30-24170

SPACER

10

04065-05220

RING,SNAP

11

07000-13040

O-RING

12

20R-30-21140

PLATE

13

20S-30-31410

SPRING,RECOIL

14

20S-30-31420

ROD

15

01590-12226

NUT

16

04050-15040

PIN,COTTER

17

20S-30-31180

BOLT,(FOR RUBBER SHOE)

18

01580-13326

NUT,(FOR RUBBER SHOE)

Выбрано товаров: 21