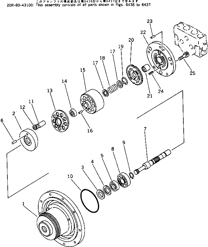
Запчасти Komatsu PC20-6 МОТОР ХОДА (/)(№-98) УПРАВЛ-Е РАБОЧИМ ОБОРУДОВАНИЕМ

Схема запчастей Komatsu PC20-6 - МОТОР ХОДА (/)(№-98) УПРАВЛ-Е РАБОЧИМ ОБОРУДОВАНИЕМ
FIT
1:1
100%

Артикул

Название

Примечание

Количество

|1

20R-60-43101

TRAVEL MOTOR ASS'Y

|1

20R-60-43100

TRAVEL MOTOR ASS'Y

|1

FUMHB-3-2-2875

BODY SUB ASS'Y

1

BODY

2

PLATE,SWASH

3

RING,SUPPORT

4

RING,BACK-UP

5

SEAL,OIL

6

FUPP-M6-8-15

PIN

|7

FUMHSH-3-2875

SHAFT SUB ASS'Y

7

SHAFT

8

06000-06204

BEARING,BALL

9

04064-02012

RING,SNAP

10

FUG90-90

O-RING

|11

FUMHCB-3-2720

CYLINDER SUB ASS'Y,BARREL

11

PISTON

12

SHOE

13

HOLDER,SHOE

14

HOLDER,BARREL

15

CYLINDER,BARREL

16

PIN

17

RETAINER

18

SPRING C

19

04065-02812

RING,SNAP

20

FUTZS-2720-05

VALVE,PLATE

21

FUTA1720Z

BEARING,NEEDLE

|22

FUMHB-3-1-2875

BODY SUB ASS'Y

22

BODY

23

PIN

24

FUPPS-W-5-16

PIN,SPRING

25

FUTH-10-25

BOLT

Выбрано товаров: 31