Запчасти Komatsu PC20-6 МАРКИРОВКА (ЯПОН.) МАРКИРОВКА¤ ИНСТРУМЕНТ И РЕМКОМПЛЕКТЫ

Схема запчастей Komatsu PC20-6 - МАРКИРОВКА (ЯПОН.) МАРКИРОВКА¤ ИНСТРУМЕНТ И РЕМКОМПЛЕКТЫ
FIT
1:1
100%

Артикул

Название

Примечание

Количество

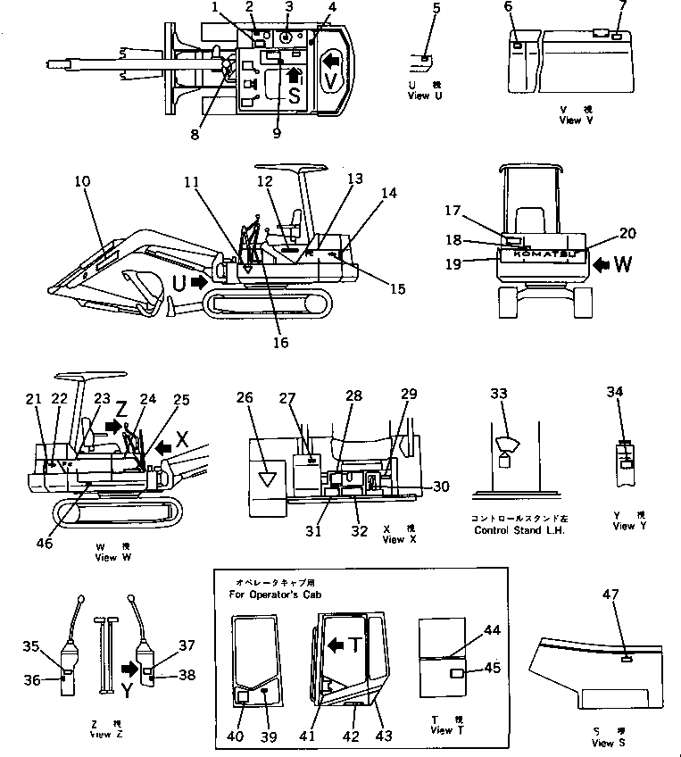
1

20R-98-41250

PLATE¤ OPERATING,(FOR CANOPY)

|1

20S-98-31310

PLATE¤ OPERATING,(FOR 2ND TRAVEL SPEED) (CAB) (OP)

2

20M-98-62210

PLATE¤ CAUTION,FUEL TANK

|2

09652-01121

PLATE¤ CAUTION,FUEL TANK

3

203-00-21180

PLATE¤ CAUTION,HYDRAULIC TANK

4

09653-00110

PLATE¤ SAFETY,HYDRAULIC TANK

5

09601-00835

PLATE¤ NAME,(LIMITED SUPPLY)

|5

04418-13060

SCREW

6

20N-98-21290

PLATE¤ CAUTION,FUEL FILTER

7

09668-00100

PLATE¤ SAFETY,RADIATOR CAP

8

20S-98-31250

PLATE¤ MARK,SYMBOL

9

09683-01060

PLATE¤ OPERATING,SWITCH

10

20S-98-31180

PLATE¤ MARK,KOMATSU

11

20S-98-31140

PLATE¤ MARK,ACCENT

12

20S-98-31160

PLATE¤ MARK,KOMATSU

13

20R-98-41110

PLATE¤ MARK,PC20

14

20S-98-31441

PLATE¤ MARK,ACCENT

|14

20S-98-31440

PLATE¤ MARK,ACCENT

15

20S-98-31120

PLATE¤ MARK,ACCENT

16

20S-98-31632

CHART¤ OIL,(FOR CANOPY)

|16

20R-98-41230

CHART¤ OIL,(FOR CANOPY)

|16

20S-98-31230

CHART¤ OIL,(FOR CANOPY)

17

20S-98-31150

PLATE¤ SAFETY

18

09667-00100

PLATE¤ SAFETY,ENGINE COVER

19

20S-98-31410

PLATE¤ MARK,ACCENT

20

20S-98-31350

PLATE¤ MARK,KOMATSU

|20

09690-51000

PLATE¤ MARK,KOMATSU

21

20S-98-31451

PLATE¤ MARK,ACCENT

|21

20S-98-31450

PLATE¤ MARK,ACCENT

22

20S-98-31130

PLATE¤ MARK,ACCENT

23

20R-98-41110

PLATE¤ MARK,PC20

24

20S-98-31460

PLATE¤ MARK,ACCENT

25

20S-98-31170

PLATE¤ MARK,KOMATSU

26

20S-98-31140

PLATE¤ MARK,ACCENT¤ POWERFUL

27

20T-98-21130

PLATE¤ OPERATING,BOOM SWING

28

20R-98-41220

PLATE¤ DATA

|28

20R-967-4110

PLATE¤ DATA,(FOR 2ND TRAVEL SPEED) (OP)

29

09131-00100

PLATE¤ SAFETY,SWING LOCK PIN

30

09685-00002

PLATE¤ OPERATING,SWING LOCK LEVER

31

09657-00110

PLATE¤ SAFETY,TRACK TENSION

32

20S-98-31210

PLATE¤ CAUTION,TRACK LOADING

33

20S-98-31190

PLATE¤ MARK,(QUICK SHIFT)

34

09132-00100

PLATE¤ SAFETY

35

09651-00100

PLATE¤ SAFETY,BEFORE OPERATING

36

09685-00001

PLATE¤ OPERATING,LEVER LOCK

37

09173-00100

PLATE¤ SAFETY,INSPECTION AND MAINTENANCE

38

09685-00001

PLATE¤ OPERATING,LEVER LOCK

39

20T-98-21210

PLATE¤ OPERATING,DOOR LOCK (FOR CAB)

40

20S-98-31632

CHART¤ OIL,(FOR CAB)

|40

20R-98-41230

CHART¤ OIL,(FOR CAB)

|40

20S-98-31230

CHART¤ OIL,(FOR CAB)

41

20S-98-21260

PLATE¤ MARK,DOOR KNOB (FOR CAB)

42

20S-98-31160

PLATE¤ MARK,KOMATSU (FOR CAB)

43

20S-98-31260

PLATE¤ MARK,DOOR (FOR CAB)

44

20T-98-21230

PLATE¤ CAUTION,CENTER SASH (FOR CAB)

45

20R-98-41260

PLATE¤ OPERATING,(FOR CAB)

|45

20S-98-31320

PLATE¤ OPERATING,(FOR 2ND TRAVEL SPEED) (CAB) (OP)

46

20S-98-31391

PLATE¤ OPERATING,GREASING

47

20S-98-31290

PLATE¤ OPERATING,WIPER MOTOR

Выбрано товаров: 0