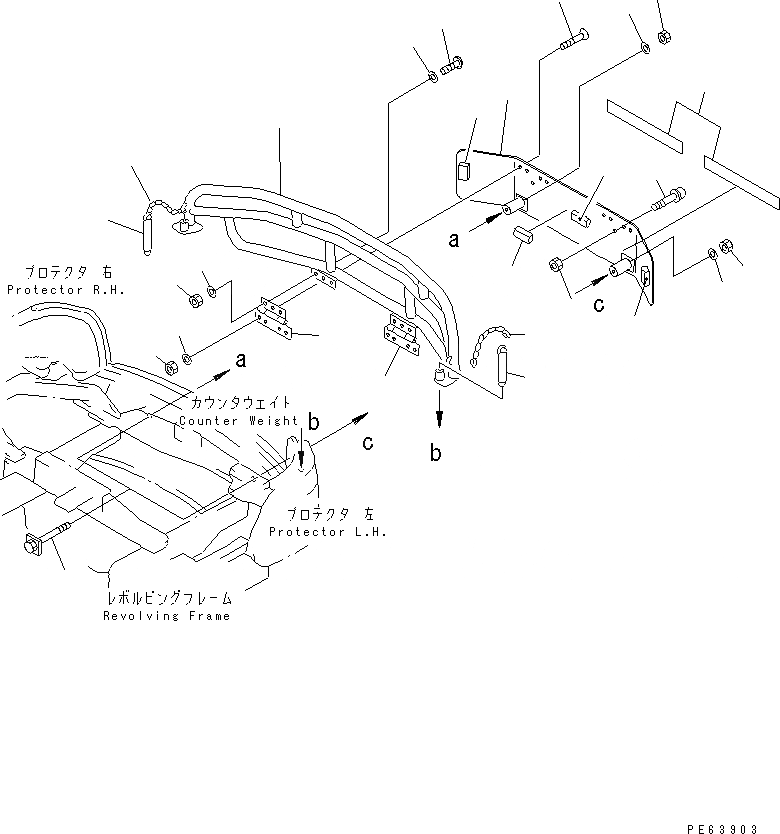
Запчасти Komatsu PC20-7 ЗАДН. ПРОТЕКТОР(№9-) ЧАСТИ КОРПУСА

Схема запчастей Komatsu PC20-7 - ЗАДН. ПРОТЕКТОР(№9-) ЧАСТИ КОРПУСА
1
2
3
3
3
3
4
5
5
6
7
8
8
9
10
11
12
13
13
14
15
16
16
17
17
18
18
FIT
1:1
100%

Артикул

Название

Примечание

Количество

1

20P-46-71815

BRACKET

2

20P-46-71821

GUARD

3

20P-46-71890

CUSHION

4

20P-46-71930

BOLT

5

01643-31645

WASHER

6

20Y-54-14290

STOPPER

7

01580-11008

NUT

8

203-54-52412

HINGE

9

01240-01235

SCREW

10

01643-31232

WASHER

11

01580-11210

NUT

12

01245-01235

SCREW

13

01643-31232

WASHER

14

01580-11210

NUT

15

113-Y79-4310

MARK,L.H.

|15

113-Y79-4320

MARK,R.H.

16

20P-46-71920

PIN

17

21R-91-41290

CHAIN

18

01580-11613

NUT

Выбрано товаров: 19