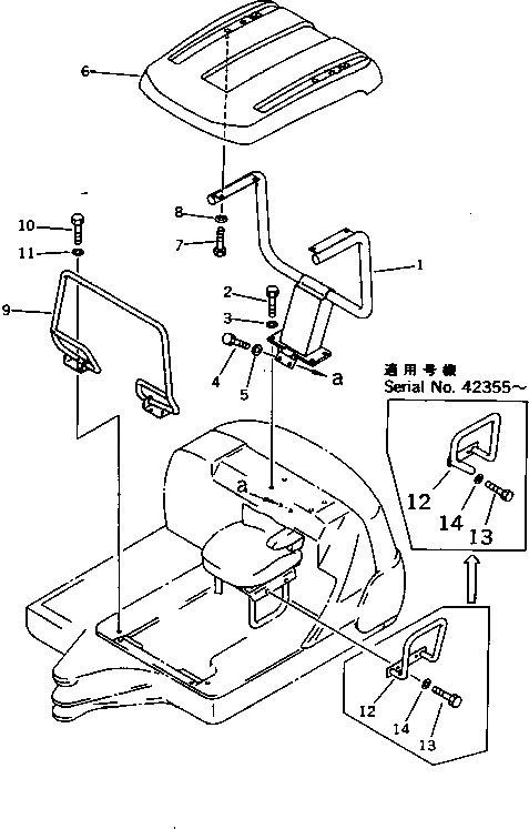
Запчасти Komatsu PC20-7 НАВЕС КАБИНА ОПЕРАТОРА И СИСТЕМА УПРАВЛЕНИЯ

Схема запчастей Komatsu PC20-7 - НАВЕС КАБИНА ОПЕРАТОРА И СИСТЕМА УПРАВЛЕНИЯ
FIT
1:1
100%

Артикул

Название

Примечание

Количество

1

20N-54-71416

POLE

|1

20N-54-71411

POLE

2

01010-51645

BOLT

3

01643-31645

WASHER

4

01010-51030

BOLT

5

01643-31032

WASHER

6

20T-54-73121

ROOF,CANOPY

7

01010-51025

BOLT

8

01643-71032

WASHER

9

20N-54-71366

GUARD

|9

20N-54-71361

GUARD

10

01010-51025

BOLT

11

01643-31032

WASHER

12

20N-54-71656

STAY

|12

920N-54-71651

STAY

|12

20N-54-71650

STAY

13

01010-51025

BOLT

14

01643-31032

WASHER

Выбрано товаров: 18