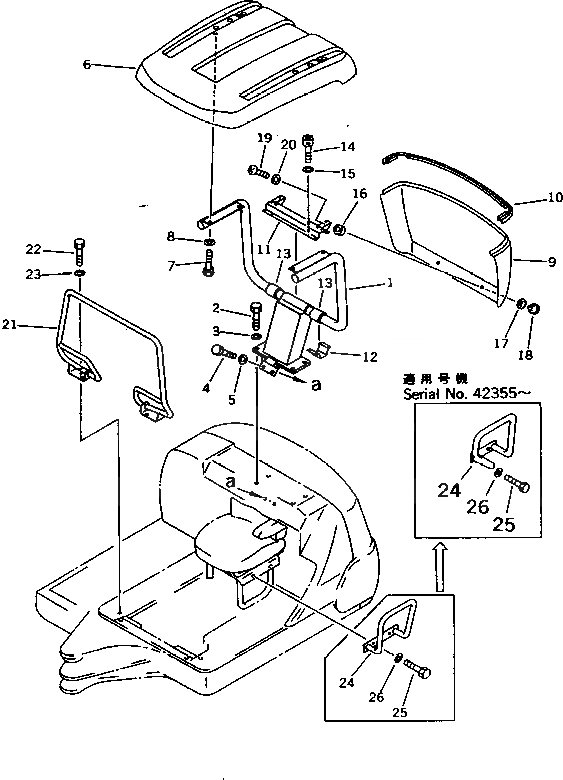
Запчасти Komatsu PC20-7 НАВЕС (С RAIN ЧАСТИ КОРПУСА) КАБИНА ОПЕРАТОРА И СИСТЕМА УПРАВЛЕНИЯ

Схема запчастей Komatsu PC20-7 - НАВЕС (С RAIN ЧАСТИ КОРПУСА) КАБИНА ОПЕРАТОРА И СИСТЕМА УПРАВЛЕНИЯ
FIT
1:1
100%

Артикул

Название

Примечание

Количество

1

20N-54-71416

POLE

|1

20N-54-71411

POLE

2

01010-51645

BOLT

3

01643-31645

WASHER

4

01010-51030

BOLT

5

01643-31032

WASHER

6

20T-54-73121

ROOF,CANOPY

7

01010-51025

BOLT

8

01643-71032

WASHER

9

20T-54-73230

COVER

10

20T-54-73280

SEAL

11

20P-54-71410

PLATE

12

20P-54-71420

BRACKET

13

20P-54-71430

CUSHION

14

01252-40616

BOLT

15

01643-70623

WASHER

16

20T-54-74890

GROMMET

17

20T-54-74880

GROMMET

18

20P-54-71440

NUT

19

01220-40620

SCREW

20

01643-30623

WASHER

21

20N-54-71366

GUARD

|21

20N-54-71361

GUARD

22

01010-51025

BOLT

23

01643-31032

WASHER

24

20N-54-71656

STAY

|24

20N-54-71651

STAY

|24

20N-54-71650

STAY

25

01010-51025

BOLT

26

01643-31032

WASHER

Выбрано товаров: 30