Запчасти Komatsu PC20-7 МАРКИРОВКА (АНГЛ.) (ДЛЯ КАБИНЫ)(№-9) МАРКИРОВКА

Схема запчастей Komatsu PC20-7 - МАРКИРОВКА (АНГЛ.) (ДЛЯ КАБИНЫ)(№-9) МАРКИРОВКА
FIT
1:1
100%

Артикул

Название

Примечание

Количество

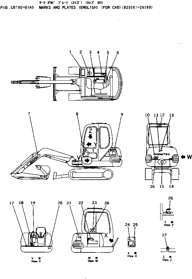
1

20P-54-71540

SEAT,NONSKID

2

20T-98-72370

PLATE, OPERATING,HOOD OPEN

3

20P-98-71520

PLATE,FUSE BOX

4

20T-98-72380

PLATE, CAUTION,FUEL TANK

5

362-54-38150

PLATE, OPERATING,STARTING SWITCH

6

20N-98-71570

PLATE, CAUTION,STARTING AND AFTER OPERATING

7

20P-98-71120

PLATE, MARK,KOMATSU

8

20N-98-71130

PLATE, OPERATING,LOCK LEVER

9

20P-98-71211

PLATE, MARK,PC20

10

20P-98-71110

PLATE, MARK,KOMATSU

11

20T-98-72410

PLATE, CAUTION,FUEL FILTER

12

205-00-63350

PLATE, CAUTION,AUTO LOCK

13

20T-98-72450

PLATE, CAUTION,AIR CLEANER

14

20T-98-72360

PLATE, CAUTION,HOOD OPEN

15

20T-98-72460

PLATE, CAUTION,ENGINE OIL FILTER

16

20T-98-72350

PLATE, CAUTION,KEEP OUT OF TURNING AREA

17

20T-98-71420

PLATE, CAUTION,GREASE

18

09685-00002

PLATE, OPERATING,SWING LOCK LEVER

19

20P-98-71510

PLATE, OPERATING,ISO PATTERN

20

09601-00835

PLATE, NAME,(LIMITED SUPPLY)

20

04418-13060

SCREW

21

20P-98-71530

PLATE, SAFETY,RADIATOR CAP

22

20P-98-71221

PLATE, MARK,PC20

23

20P-98-71560

PLATE, OPERATING,ISO PATTERN

24

20P-98-71540

CHART, OIL

25

20T-98-72390

PLATE, CAUTION,HYDRAULIC TANK CAP

26

203-00-56230

PLATE, CAUTION,WIPER MOTOR CONNECTOR

27

205-00-71340

PLATE, OPERATING,DOOR LOCK

28

20N-98-71530

PLATE, OPERATING,(POWER TILT MECH.ANGLE BLADE)

Выбрано товаров: 29