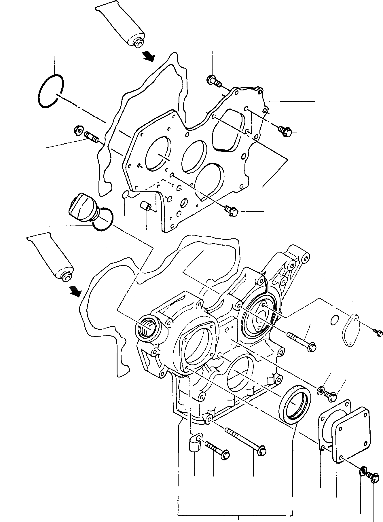
Запчасти Komatsu PC20-7 КОЖУХ ШЕСТЕРЕН. ПЕРЕДАЧИ ДВИГАТЕЛЬ

Схема запчастей Komatsu PC20-7 - КОЖУХ ШЕСТЕРЕН. ПЕРЕДАЧИ ДВИГАТЕЛЬ
16
10
6
20
15
4
5
15
11
12
9
24
23
25
18
22
14
19
26
17
8
7
3
21
1
13
FIT
1:1
100%

Артикул

Название

Примечание

Количество

1

YMR000944

HOUSING ASSY., GEAR

3

YMR000295

SEAL, OIL

4

YMR000066

STUD

5

YMR000078

CAP, LUB. OIL SUPPLY

6

YMR000283

FLANGE, GEAR HOUSING

7

YMR000083

COVER

8

YMR000457

GASKET

9

YMR000296

PIPE

10

YMR000073

O-RING

11

YMR000383

O-RING

12

YMR000384

O-RING

13

YMR000400

BOLT PLATED

14

YMR000402

BOLT PLATED

15

YMR000402

BOLT PLATED

16

YMR000403

BOLT PLATED

17

YMR000407

SCREW

18

YMR000409

SCREW

19

YMR000412

SCREW

20

YMR000425

NUT

21

YMR000943

GASKET

22

YMR000943

GASKET

23

YMR000050

COVER

24

YMR000388

O-RING

25

YMR000395

SCREW

26

YMR000167

RETAINER

Выбрано товаров: 25