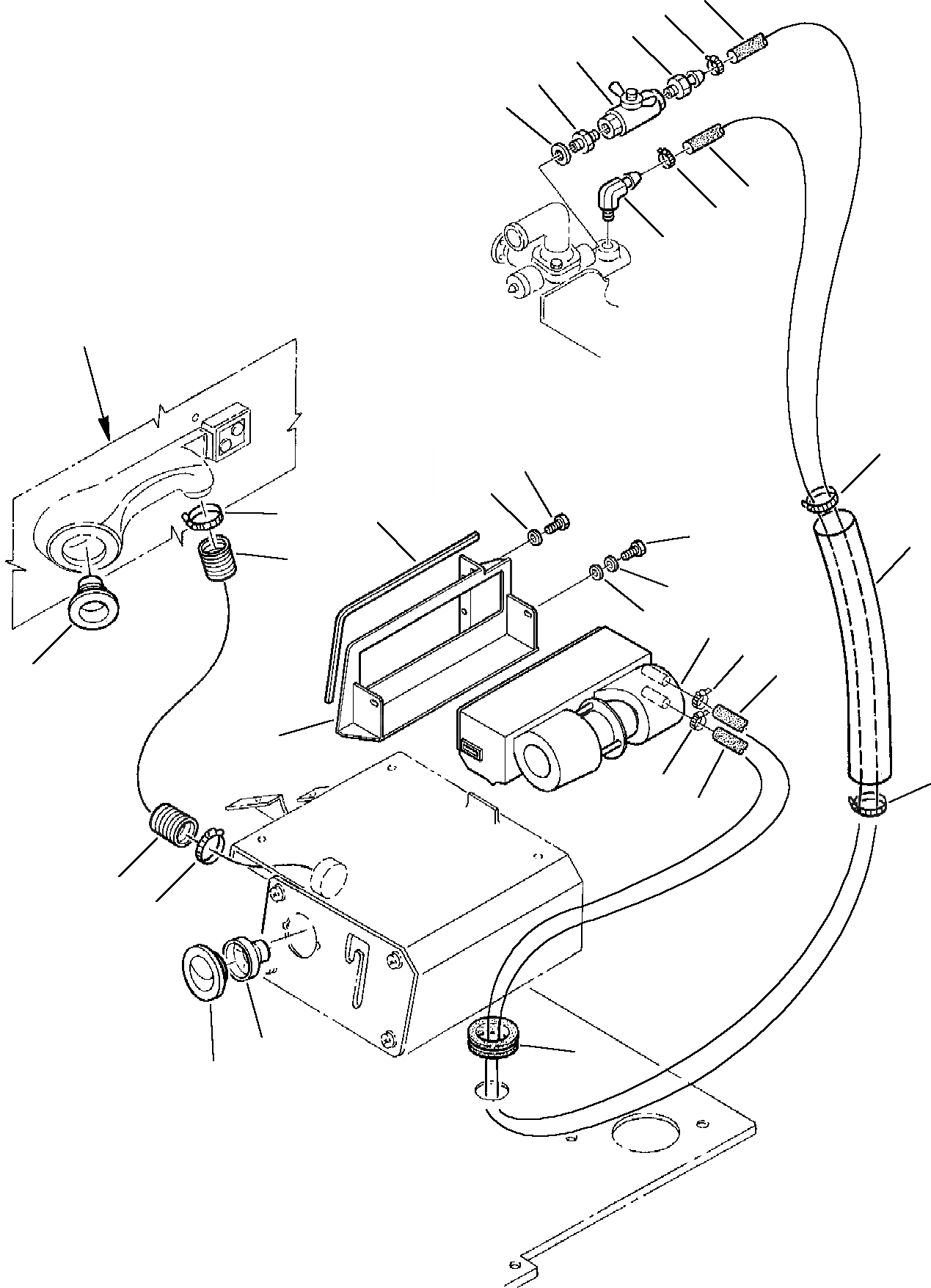
Запчасти Komatsu PC20-7 СИСТЕМА ПОДОГРЕВА ЧАСТИ КОРПУСА И КАБИНА

Схема запчастей Komatsu PC20-7 - СИСТЕМА ПОДОГРЕВА ЧАСТИ КОРПУСА И КАБИНА
8
9
14
A
15
16
17
8
9
13
12
2
3
23
20
5
11
21
6
7
4
9
8
22
1
12
9
8
21
20
18
10
19
FIT
1:1
100%

Артикул

Название

Примечание

Количество

1

3F1049052

SUPPORT

2

801015086

BOLT

3

802170001

WASHER

4

888011016

HEATER

5

801015061

BOLT

6

802120007

SPRING WASHER

7

802070006

WASHER

8

3F1049605

HOSE

9

802660003

HOSE-CLAMP

10

885411049

RUBBER

11

3F0549605

PROTECTION

12

885180004

HOSE-CLAMP

13

390032018

ELBOW

14

500358628

UNION

15

816213954

COCK

16

500354406

UNION

17

802090014

WASHER

18

888011024

REDUCTION

19

888011014

STUB

20

802660014

HOSE-CLAMP

21

3F1049604

PIPE

22

816213913

STUB

23

3F1049603

GASKET

Выбрано товаров: 23