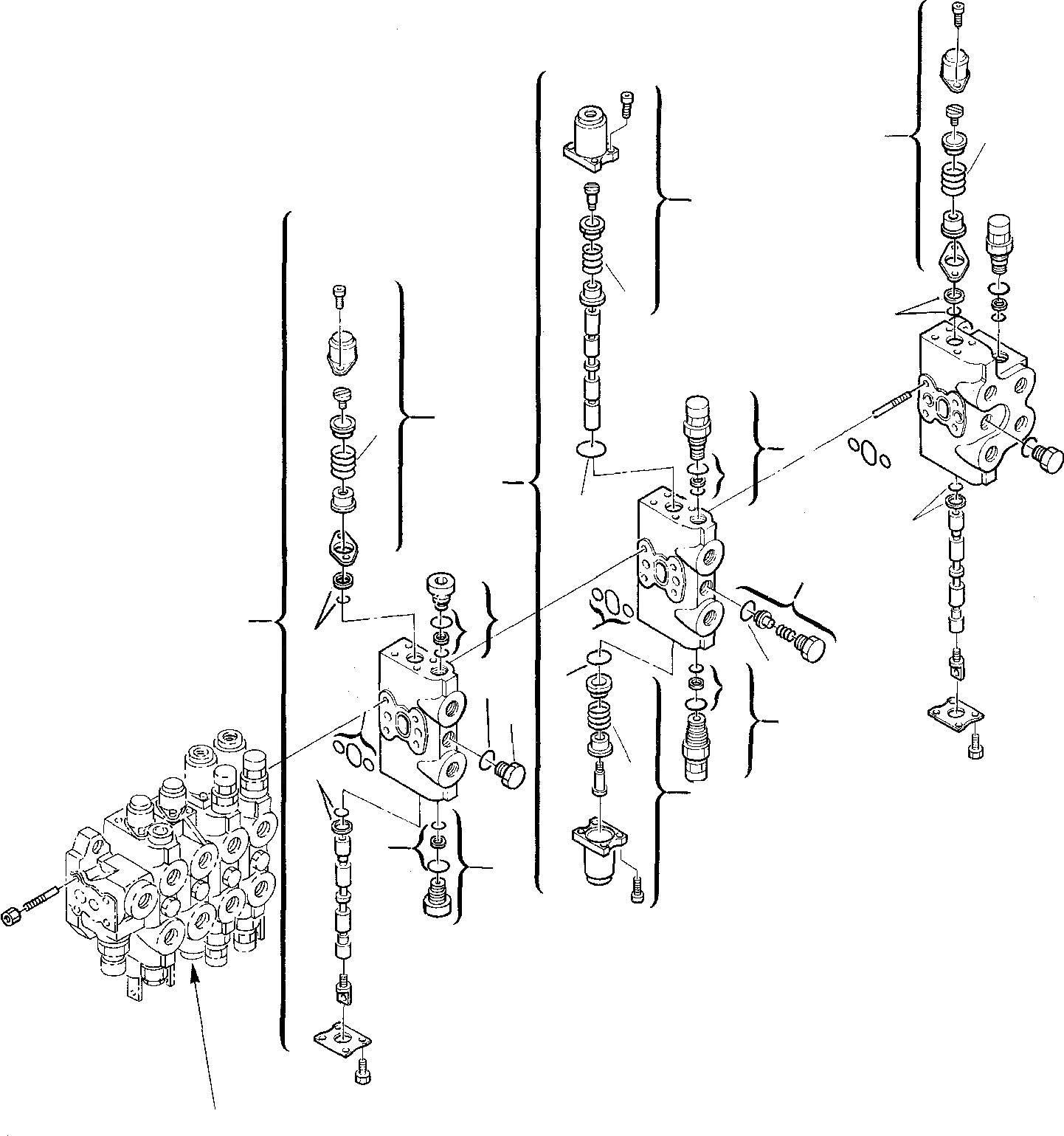
Запчасти Komatsu PC20-7 7-СЕКЦИОНН. УПРАВЛЯЮЩ. КЛАПАН (/) УПРАВЛ-Е РАБОЧИМ ОБОРУДОВАНИЕМ

Схема запчастей Komatsu PC20-7 - 7-СЕКЦИОНН. УПРАВЛЯЮЩ. КЛАПАН (/) УПРАВЛ-Е РАБОЧИМ ОБОРУДОВАНИЕМ
18
A
21
20
12
23
24
13
17
7
19
8
14
15
9
18
10
22
18
16
4
1
11
5
2
10
10
2
15
3
6
14
2
13
12
5
4
23
24
17
18
19
22
FIT
1:1
100%

Артикул

Название

Примечание

Количество

\0

844020141

CONTROL VALVE, ASSY.

\0

844020174

CONTROL VALVE, ASSY.

\0

844020196

CONTROL VALVE, ASSY.

1

844200292

ELEMENT, EQUIPMENT

2

844200173

KIT, SPOOL GASKET

3

844200175

KIT, GASKET

4

844200185

PLUG

5

844200174

KIT, GASKET

6

PLUG

7

844200169

SPOOL RETURN UNIT

8

844200170

SPRING

9

844200299

ELEMENT, ARM

9

844200380

ELEMENT, ARM

10

844200173

KIT, SPOOL GASKET

11

844200175

KIT, GASKET

12

844200171

SPOOL RETURN UNIT

13

844200172

SPRING

14

845010257

SAFETY VALVE

15

844200174

KIT, GASKET

16

845010260

VALVE

17

844200298

LEFT TRAVELING SECTION

17

844200381

LEFT TRAVELING SECTION

18

844200173

KIT, SPOOL GASKET

19

844200175

KIT, GASKET

20

844200169

SPOOL RETURN UNIT

21

844200170

SPRING

22

PLUG

23

845010257

MAIN SAFETY VALVLE

23

3F2065051

MAIN SAFETY VALVLE

23

844200314

MAIN SAFETY VALVLE

24

844200174

KIT, GASKET

24

844200372

KIT, GASKET

Выбрано товаров: 32