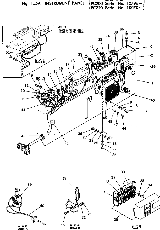
Запчасти Komatsu PC200-1 ПАНЕЛЬ ПРИБОРОВ(№79-) КОМПОНЕНТЫ ДВИГАТЕЛЯ И ЭЛЕКТРИКА

Схема запчастей Komatsu PC200-1 - ПАНЕЛЬ ПРИБОРОВ(№79-) КОМПОНЕНТЫ ДВИГАТЕЛЯ И ЭЛЕКТРИКА
FIT
1:1
100%

Артикул

Название

Примечание

Количество

1

207-06-11581

PANEL

2

203-06-31112

COVER

3

205-06-62170

BOLT

4

205-06-62180

WASHER

5

205-06-62190

WASHER

6

205-06-62112

COVER

7

01010-30820

BOLT

8

01602-00825

WASHER

9

01643-30823

WASHER

10

205-06-51320

LAMP,PANEL

11

205-06-51330

BULB

12

205-06-51310

GAUGE,AIR PRESSURE

13

203-06-21131

GAUGE,WATER TEMPERATURE

14

125-06-22210

LAMP,CAUTION

15

125-06-22220

LAMP,CHARGE

16

600-815-2371

SIGNAL,HEATER

17

08087-10000

SWITCH,STARTING

18

566-06-16411

ASHTRAY

19

195-822-6151

LIGHTER

19

195-822-6150

LIGHTER

20

01220-30412

SCREW

21

01580-00403

NUT

22

01601-00410

WASHER

23

08061-40010

SWITCH,LAMP

24

205-06-62310

RADIO,(FOR JAPAN)

24

209-06-11720

RADIO,(EXCEPT JAPAN)

25

205-06-62280

BRACKET

26

01220-30512

SCREW

27

01601-00513

WASHER

28

01641-20508

WASHER

29

175-06-35430

BOX,FUSE

30

175-06-35380

FUSE, 40A

31

175-06-35390

FUSE, 30A

32

175-06-35410

FUSE, 20A

33

175-06-35420

FUSE, 10A

34

01220-30616

SCREW

35

01611-06063

WASHER

36

178-06-12290

WIRE

37

09481-02400

SWITCH,HEATER

38

08687-22400

METER,SERVICE

39

08183-00000

SWITCH,WIPER

40

205-06-61290

WIRE ASS'Y

41

08066-00000

SWITCH,MAIN

42

08037-02512

GROMMET

43

203-06-31154

WIRE ASS'Y

44

205-06-51290

CONDENSER

45

205-06-62320

SPEAKER,(FOR JAPAN)

45

209-06-11730

SPEAKER,(EXCEPT JAPAN)

46

01220-30420

SCREW

47

01601-00410

WASHER

48

01641-00405

WASHER

49

01010-30612

BOLT

50

01602-00619

WASHER

51

205-06-62340

FILTER

52

08034-00519

BAND

Выбрано товаров: 55