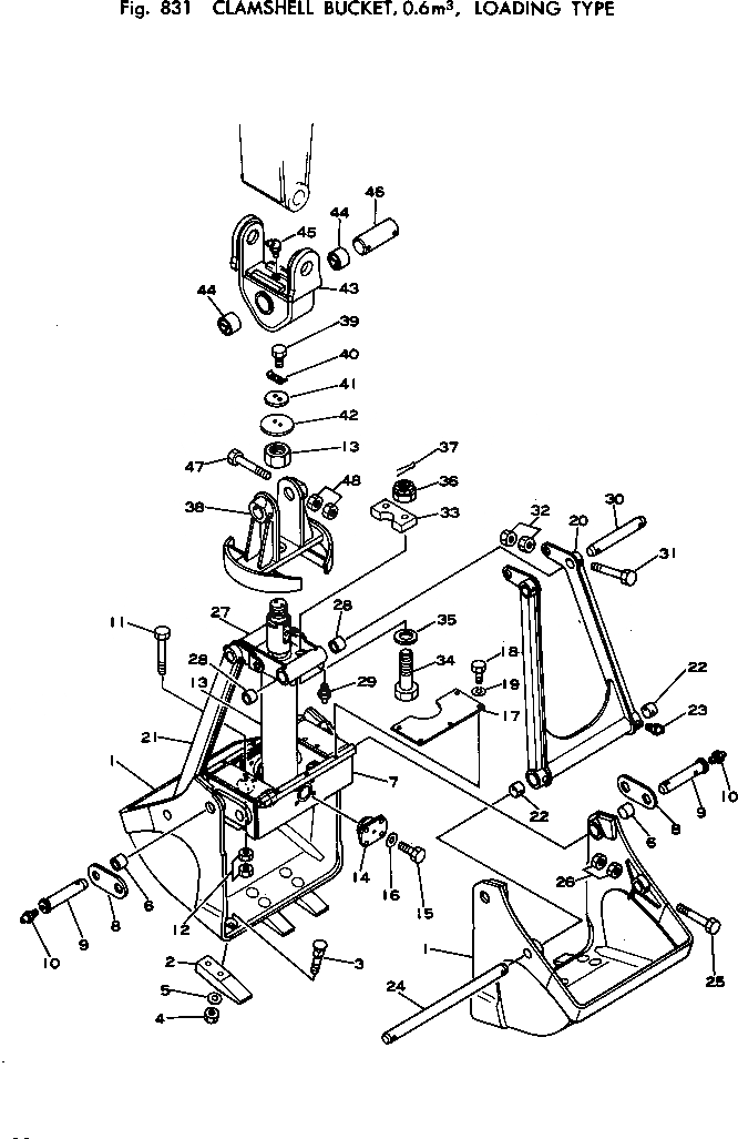
Запчасти Komatsu PC200-1 ГРЕЙФЕРН. КОВШ¤ .M¤ ПОГРУЗ.ING ТИП ОПЦИОННЫЕ КОМПОНЕНТЫ

Схема запчастей Komatsu PC200-1 - ГРЕЙФЕРН. КОВШ¤ .M¤ ПОГРУЗ.ING ТИП ОПЦИОННЫЕ КОМПОНЕНТЫ
FIT
1:1
100%

Артикул

Название

Примечание

Количество

|$0

205-931-0011

CLAMSHELL ASS'Y

1

205-931-1161

SHELL

2

202-931-1180

TOOTH

3

02090-11285

BOLT

4

02290-11219

NUT

5

01643-32060

WASHER

6

07143-10505

BUSHING

7

205-931-1230

FRAME

8

205-931-1240

PLATE

9

205-931-1250

PIN

10

07020-00000

FITTING

11

01011-31610

BOLT

12

01580-01613

NUT

13

205-931-0021

CYLINDER ASS'Y,CLAMSHELL

14

205-931-1260

CAP

15

01010-31450

BOLT

16

01643-31445

WASHER

17

205-931-1270

COVER

18

01010-31020

BOLT

19

01602-01030

WASHER

20

205-931-1192

ARM

21

205-931-1212

ARM

22

07144-10505

BUSHING

23

07020-00000

FITTING

24

205-931-1220

PIN

25

01011-31630

BOLT

26

01580-01613

NUT

27

205-931-1281

FRAME

28

07144-10505

BUSHING

29

07020-00000

FITTING

30

205-931-1290

PIN

31

01011-31610

BOLT

32

01580-01613

NUT

33

205-931-1310

PLATE

34

01013-63010

BOLT

35

01643-33080

WASHER

36

01590-03033

NUT

37

04050-06055

PIN

38

205-931-1122

HANGER

39

01010-31230

BOLT

40

04081-06012

LOCK

41

205-931-1330

HOLDER

42

205-931-1320

PLATE

43

205-931-6110

BRACKET

44

205-931-6150

BUSHING

45

07020-00675

FITTING

46

205-931-1130

PIN

47

01011-31650

BOLT

48

01580-01613

NUT

Выбрано товаров: 49