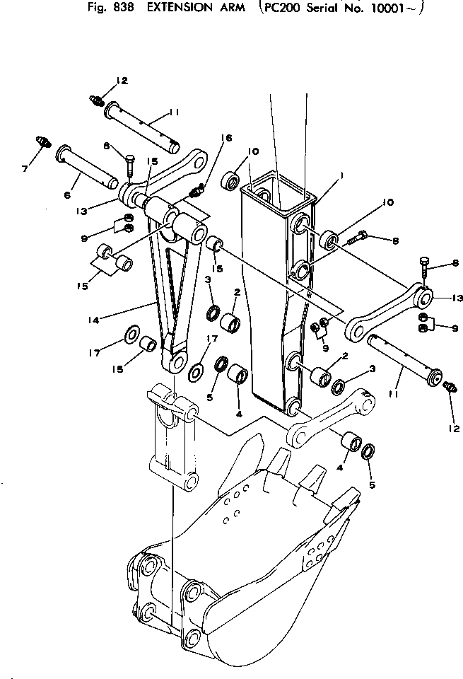
Запчасти Komatsu PC200-1 EXTENSION РУКОЯТЬ ОПЦИОННЫЕ КОМПОНЕНТЫ

Схема запчастей Komatsu PC200-1 - EXTENSION РУКОЯТЬ ОПЦИОННЫЕ КОМПОНЕНТЫ
FIT
1:1
100%

Артикул

Название

Примечание

Количество

1

205-945-6110

ARM

2

205-70-67150

BUSHING

3

205-70-62140

SEAL

4

205-70-63141

BUSHING

5

205-70-62150

SEAL

6

205-70-67140

PIN

7

07020-00000

FITTING

8

205-70-67170

BOLT

9

01580-02016

NUT

10

205-945-5150

BUSHING

11

205-945-6130

PIN

12

07020-00000

FITTING

13

205-70-63121

LINK

14

205-945-6120

LINK

15

205-945-5140

BUSHING

16

07020-00675

FITTING

17

205-945-6140

SPACER

Выбрано товаров: 17