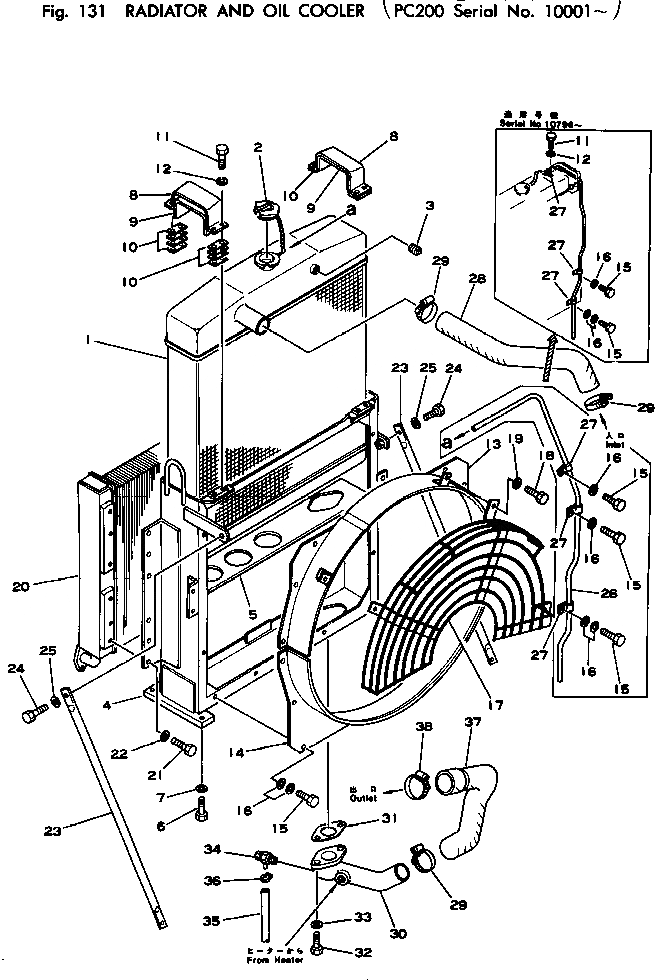
Запчасти Komatsu PC200-1 РАДИАТОР И МАСЛООХЛАДИТЕЛЬ КОМПОНЕНТЫ ДВИГАТЕЛЯ И ЭЛЕКТРИКА

Схема запчастей Komatsu PC200-1 - РАДИАТОР И МАСЛООХЛАДИТЕЛЬ КОМПОНЕНТЫ ДВИГАТЕЛЯ И ЭЛЕКТРИКА
FIT
1:1
100%

Артикул

Название

Примечание

Количество

|$0

205-03-00013

RADIATOR ASS'Y

1

205-03-51100

CORE

2

101-03-13141

CAP

3

07042-10211

PLUG

4

205-03-62280

FRAME

5

205-03-51160

SEAT

6

01010-31235

BOLT

7

01643-31232

WASHER

8

202-03-13200

CLAMP

9

202-03-13190

SEAT

10

110-03-11440

SHIM, 0.5MM

11

01010-30816

BOLT

12

01602-00825

WASHER

13

205-03-62290

SHROUD

14

205-03-62310

SHROUD

15

01010-31016

BOLT

16

01643-31032

WASHER

17

205-03-62151

GUARD

18

01010-31025

BOLT

19

01643-31032

WASHER

20

205-03-62271

OIL COOLER ASS'Y

20

205-03-62270

OIL COOLER ASS'Y

21

01010-31225

BOLT

22

01643-31232

WASHER

23

205-03-62321

STAY

24

01010-31230

BOLT

25

01643-31232

WASHER

26

207-03-12160

PIPE

26

202-03-11220

TUBE

27

232-03-11210

CLIP

28

205-03-62330

HOSE

29

07281-00709

CLAMP

30

205-03-51170

TUBE

31

110-03-11490

GASKET

32

01010-31230

BOLT

33

01643-31232

WASHER

34

07730-30004

VALVE

35

07270-01535

TUBE

36

07280-01920

CLAMP

37

205-03-62340

HOSE

38

07281-00809

CLAMP

Выбрано товаров: 41