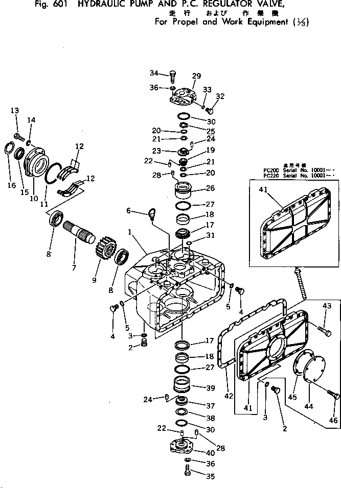
Запчасти Komatsu PC200-1 ГИДР. НАСОС. И P.C. РЕГУЛИР. КЛАПАН (/)(ДЛЯ PКАНАТL И РАБОЧ. WQUIPMENT) УПРАВЛ-Е РАБОЧИМ ОБОРУДОВАНИЕМ

Схема запчастей Komatsu PC200-1 - ГИДР. НАСОС. И P.C. РЕГУЛИР. КЛАПАН (/)          (ДЛЯ PКАНАТL И РАБОЧ. WQUIPMENT) УПРАВЛ-Е РАБОЧИМ ОБОРУДОВАНИЕМ
FIT
1:1
100%

Артикул

Название

Примечание

Количество

|$0

706-66-11202

HYDRAULIC PUMP ASS'Y

|$1

706-66-11201

HYDRAULIC PUMP ASS'Y

|$2

706-66-11201

HYDRAULIC PUMP ASS'Y

|$3

706-66-11201

HYDRAULIC PUMP ASS'Y

|$4

706-66-13201

HYDRAULIC PUMP ASS'Y

|$5

706-66-13200

HYDRAULIC PUMP ASS'Y

|$6

706-66-13200

HYDRAULIC PUMP ASS'Y

|$7

706-66-42001

PUMP SUB ASS'Y

|$8

706-66-42000

PUMP SUB ASS'Y

|$9

706-66-42000

PUMP SUB ASS'Y

|$10

706-66-42000

PUMP SUB ASS'Y

1

CASE

2

07044-12412

PLUG

3

07002-02434

O-RING

4

07040-10807

PLUG

5

07002-10823

O-RING

6

04530-01628

BOLT

7

SHAFT

8

BEARING

9

GEAR

10

BOSS

11

07000-02125

O-RING

12

SHIM, 0.5MM

12

SHIM, 0.2MM

12

SHIM, 0.1MM

12

SHIM, 0.05MM

13

01010-50825

BOLT

14

01602-20825

WASHER

15

706-66-40170

SEAL

16

RING

17

SPACER

18

BEARING

19

RING

20

O-RING

21

RING

22

PIN

23

RING

24

PIN

25

WASHER

26

SLEEVE

27

O-RING

28

PIN

29

BOSS

30

O-RING

31

O-RING

32

PLUG

33

O-RING

34

BOLT

35

BOLT

36

WASHER

37

RING

38

WASHER

39

SLEEVE

40

BOSS

41

706-66-40062

COVER

41

706-66-40061

COVER

42

706-66-40450

GASKET

43

01010-50830

BOLT

44

706-66-40441

COVER

45

706-66-40470

GASKET

46

01010-50820

BOLT

Выбрано товаров: 61