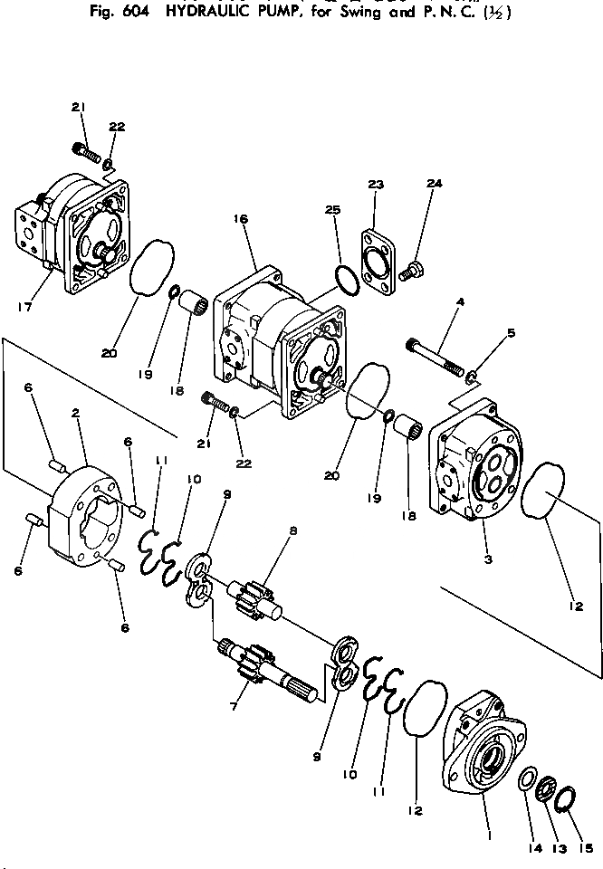
Запчасти Komatsu PC200-1 ГИДР. НАСОС.¤ ДЛЯ ПОВОРОТН. И P.N.C. (/) УПРАВЛ-Е РАБОЧИМ ОБОРУДОВАНИЕМ

Схема запчастей Komatsu PC200-1 - ГИДР. НАСОС.¤ ДЛЯ ПОВОРОТН. И P.N.C. (/) УПРАВЛ-Е РАБОЧИМ ОБОРУДОВАНИЕМ
FIT
1:1
100%

Артикул

Название

Примечание

Количество

|$0

705-56-24020

PUMP ASS'Y

|$1

705-56-24030

PUMP ASS'Y

|$2

705-12-31210

PUMP ASS'Y

|$3

705-12-32210

PUMP ASS'Y

1

BRACKET

2

CASE

2

CASE

3

CARRIER

4

BOLT

4

BOLT

5

WASHER

6

PIN

7

GEAR,DRIVE

7

GEAR,DRIVE

8

GEAR,DRIVEN

8

GEAR,DRIVEN

9

PLATE

10

RING

11

RING

12

O-RING

13

705-17-02810

SEAL

14

705-17-02870

PLATE

15

04065-04018

RING

16

705-12-31330

PUMP ASS'Y

16

705-12-32330

PUMP ASS'Y

17

705-22-20000

PUMP ASS'Y

17

705-22-20010

PUMP ASS'Y

18

705-17-02310

COUPLING

19

04065-02012

RING

20

705-17-02381

O-RING

21

705-17-02374

BOLT

22

01602-21030

WASHER

23

705-17-02890

PLATE

24

01010-51225

BOLT

25

07000-03045

O-RING

Выбрано товаров: 35