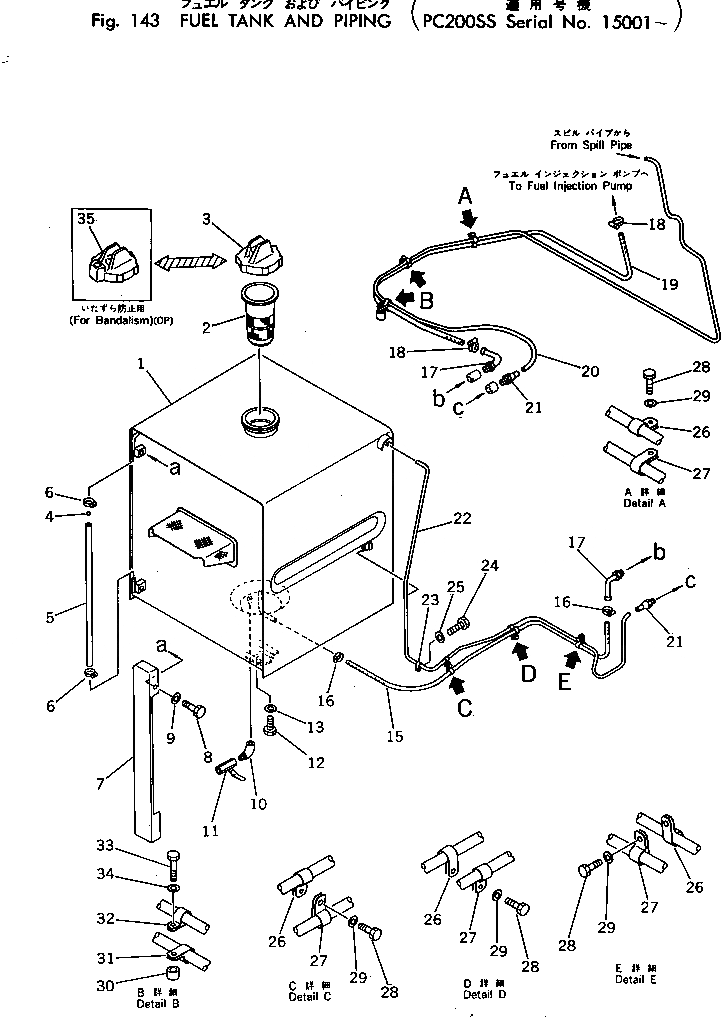
Запчасти Komatsu PC200-2 ТОПЛ. БАК И ТОПЛИВОПРОВОД (PCSS) КОМПОНЕНТЫ ДВИГАТЕЛЯ И ЭЛЕКТРИКА

Схема запчастей Komatsu PC200-2 - ТОПЛ. БАК И ТОПЛИВОПРОВОД (PCSS) КОМПОНЕНТЫ ДВИГАТЕЛЯ И ЭЛЕКТРИКА
FIT
1:1
100%

Артикул

Название

Примечание

Количество

|$0

205-04-00013

FUEL TANK ASS'Y

1

TANK

2

07056-18416

STRAINER

3

07050-21200

CAP

4

201-04-21160

BALL

5

205-04-62220

TUBE

6

07281-00197

CLAMP

7

205-04-62231

COVER

8

01010-31225

BOLT

9

01643-31232

WASHER

10

07323-30200

ELBOW

11

07700-40240

VALVE

12

01010-51635

BOLT

13

01643-31645

WASHER

15

205-04-81130

HOSE

16

07281-00197

CLAMP

17

205-04-81120

TUBE

18

07281-00197

CLAMP

19

205-04-81130

HOSE

20

6131-71-5520

HOSE

21

07209-01040

NIPPLE

22

6110-71-5322

TUBE

23

08036-10814

CLIP

24

01010-51025

BOLT

25

01643-31032

WASHER

26

08036-10814

CLIP

27

08036-01814

CLIP

28

01010-51025

BOLT

29

01643-31032

WASHER

30

144-874-7470

BOSS

31

08036-01814

CLIP

32

08036-10814

CLIP

33

01010-51050

BOLT

34

01643-31032

WASHER

35

07091-01200

CAP,(FOR VANDALISM)

Выбрано товаров: 35