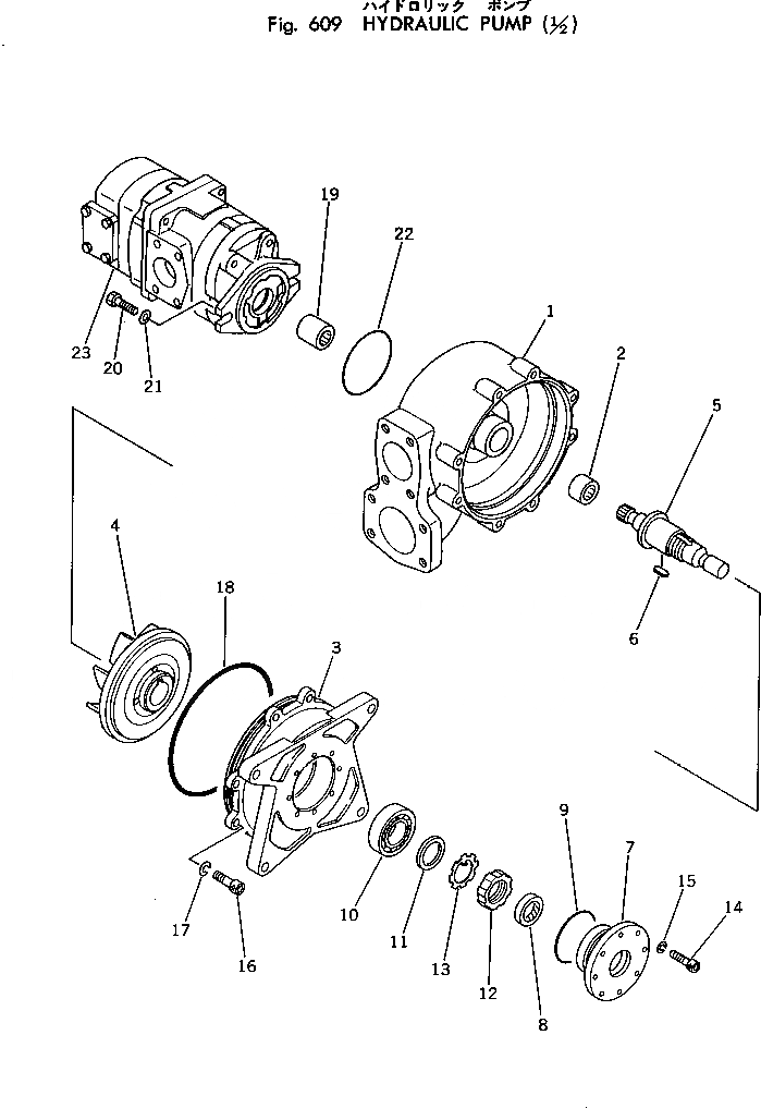
Запчасти Komatsu PC200-2 ГИДР. НАСОС. (/) УПРАВЛ-Е РАБОЧИМ ОБОРУДОВАНИЕМ

Схема запчастей Komatsu PC200-2 - ГИДР. НАСОС. (/) УПРАВЛ-Е РАБОЧИМ ОБОРУДОВАНИЕМ
FIT
1:1
100%

Артикул

Название

Примечание

Количество

|$0

705-80-10000

PUMP ASS'Y

|$1

705-80-11000

PUMP ASS'Y

|$2

705-80-11510

HOUSING ASS'Y

1

705-80-11520

HOUSING

2

07426-71061

BEARING

|$5

705-80-11110

BRACKET ASS'Y

3

705-80-11120

BRACKET

4

705-80-11140

IMPELLER

5

705-80-11150

SHAFT

6

04000-00718

KEY

7

705-80-11160

PLATE

8

705-17-02810

SEAL

9

07000-02065

O-RING

10

490-22-12650

BEARING

11

705-80-11170

WASHER

12

01530-03010

NUT

13

01658-03018

WASHER

14

01252-30625

BOLT

15

01602-20619

WASHER

16

01252-31030

BOLT

17

01602-21030

WASHER

18

07000-05170

O-RING

19

705-80-11540

COUPLING ASS'Y

20

01010-51030

BOLT

21

01643-31032

WASHER

22

07000-02085

O-RING

23

705-51-10020

TANDEM PUMP ASS'Y

Выбрано товаров: 27