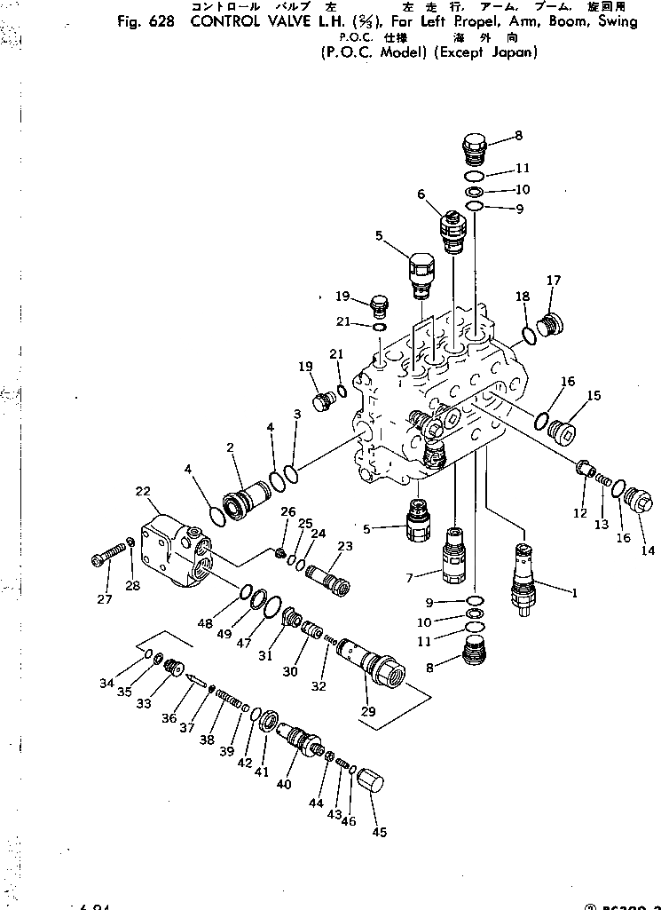
Запчасти Komatsu PC200-2 УПРАВЛЯЮЩ. КЛАПАН ЛЕВ.(/)(ДЛЯ L.ХОД¤РУКОЯТЬ¤СТРЕЛА¤ПОВОРОТН.)(P.O.C.)(№-777) УПРАВЛ-Е РАБОЧИМ ОБОРУДОВАНИЕМ

Схема запчастей Komatsu PC200-2 - УПРАВЛЯЮЩ. КЛАПАН ЛЕВ.(/)(ДЛЯ L.ХОД¤РУКОЯТЬ¤СТРЕЛА¤ПОВОРОТН.)(P.O.C.)(№-777) УПРАВЛ-Е РАБОЧИМ ОБОРУДОВАНИЕМ
FIT
1:1
100%

Артикул

Название

Примечание

Количество

|$0

700-94-21002

CONTROL VALVE ASS'Y

|$1

700-94-21001

CONTROL VALVE ASS'Y

1

700-92-55000

RELIEF VALVE ASS'Y,MAIN RELIEF

2

700-93-12680

FLANGE

3

07000-03032

O-RING

4

07000-03035

O-RING

5

700-90-62000

VALVE ASS'Y

6

700-90-75000

VALVE ASS'Y

7

700-90-68001

VALVE ASS'Y,SUCTION AND SAFETY

8

700-93-11350

PLUG

9

700-93-11320

O-RING

10

700-93-11330

RING

11

07002-03634

O-RING

12

700-93-11461

VALVE

13

700-93-11471

SPRING

14

700-93-11481

PLUG

15

700-93-11380

PLUG

16

07002-13634

O-RING

17

07040-13618

PLUG

18

07002-13634

O-RING

19

700-22-11370

PLUG

21

07002-02434

O-RING

|$22

700-90-95001

VALVE ASS'Y

|$23

700-90-95000

VALVE ASS'Y

22

700-94-11310

BLOCK

23

700-93-12660

ORIFICE

24

07002-02434

O-RING

25

07000-02014

O-RING

26

700-93-12670

SENSOR

27

01252-31065

BOLT

28

01602-21030

WASHER

|$31

700-84-56000

RELIEF VALVE ASS'Y

|$32

700-84-58000

RELIEF VALVE ASS'Y

29

SLEEVE

30

VALVE

31

700-10-51230

PLUG

32

700-80-51490

SPRING

32

700-22-11540

SPRING

33

700-80-51170

SEAT

34

07000-22012

O-RING

35

07001-02012

RING

36

700-80-61190

POPPET

37

700-80-51240

SPACER

38

700-80-51470

SPRING

38

700-90-51390

SPRING

39

700-80-51230

RETAINER

40

700-80-51320

HOLDER

41

07239-12410

NUT

42

07002-02434

O-RING

43

700-10-51211

SCREW

44

01580-00605

NUT

45

700-10-51220

COVER

46

07002-01423

O-RING

47

07002-03334

O-RING

48

700-13-31161

O-RING

49

700-80-51190

RING

Выбрано товаров: 56