Запчасти Komatsu PC200-2 УПРАВЛЯЮЩ. КЛАПАН ПРАВ.(/)(ДЛЯ R.T.¤СТРЕЛА¤КОВШ¤SERVICE)(P.O.C.(№-777) УПРАВЛ-Е РАБОЧИМ ОБОРУДОВАНИЕМ

Схема запчастей Komatsu PC200-2 - УПРАВЛЯЮЩ. КЛАПАН ПРАВ.(/)(ДЛЯ R.T.¤СТРЕЛА¤КОВШ¤SERVICE)(P.O.C.(№-777) УПРАВЛ-Е РАБОЧИМ ОБОРУДОВАНИЕМ
FIT
1:1
100%

Артикул

Название

Примечание

Количество

|$0

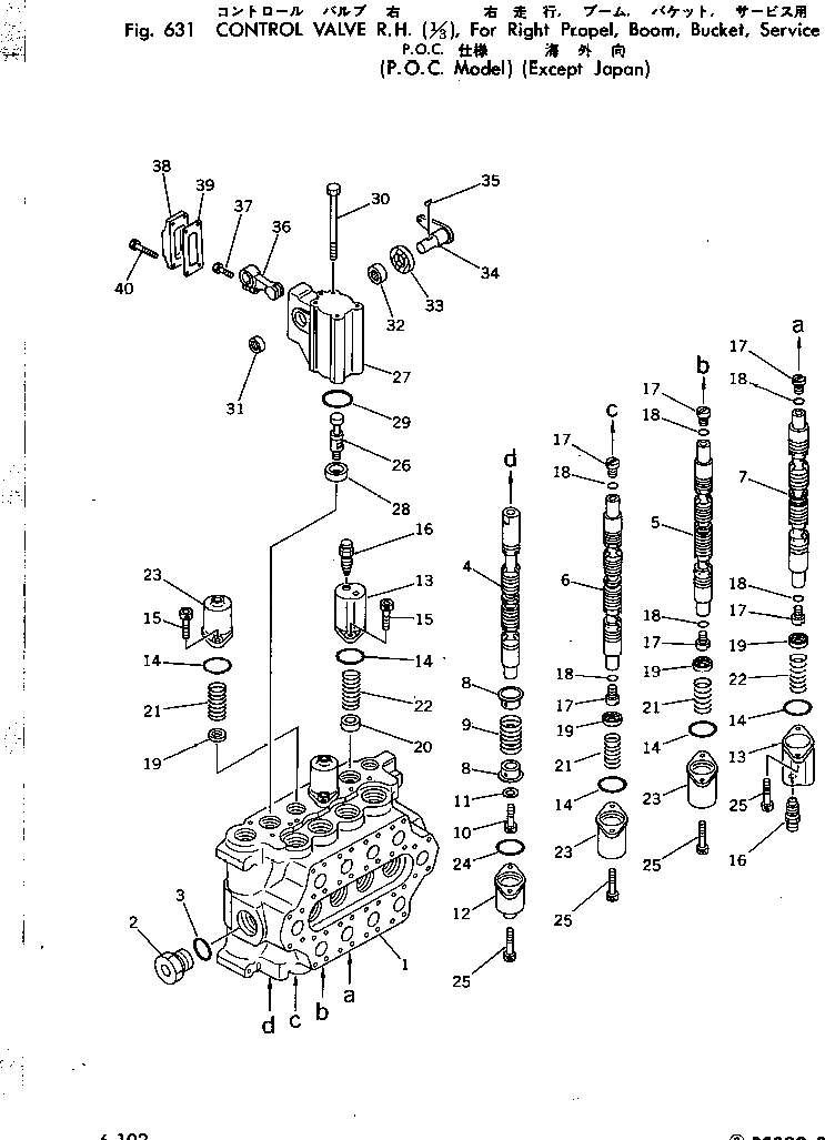
700-94-22002

CONTROL VALVE ASS'Y

|$1

700-94-22001

CONTROL VALVE ASS'Y

1

BODY,VALVE

2

07040-13618

PLUG

3

07002-13634

O-RING

4

SPOOL

5

SPOOL

6

SPOOL

7

SPOOL

8

700-93-11870

RETAINER

9

700-93-11890

SPRING

10

01252-31016

BOLT

11

01643-31032

WASHER

12

700-93-12510

CASE

13

700-94-11670

CASE

14

07430-71380

O-RING

15

01252-30820

BOLT

16

20B-27-11210

BLEEDER

17

700-93-11230

PLUG

18

07002-11423

O-RING

19

700-93-12380

RETAINER

20

700-94-11680

RETAINER

21

700-93-11371

SPRING

22

700-93-12620

SPRING

23

700-93-12390

CASE

24

07430-71380

O-RING

25

01252-30820

BOLT

26

700-93-11930

JOINT

27

700-94-11610

CASE

28

700-93-11720

COLLAR

29

07430-71380

O-RING

30

700-93-11730

BOLT

31

700-93-11740

BEARING

32

700-93-11750

BEARING

33

700-93-11762

SEAL

34

700-93-11770

LEVER

35

04010-00416

KEY

36

700-93-11780

LEVER

37

01010-30825

BOLT

38

700-93-11790

PLATE

39

700-93-11810

GASKET

40

01010-30820

BOLT

Выбрано товаров: 42