Запчасти Komatsu PC200-3 АВТОМ. ЗАМЕДЛЕНИЕ ОБОРОТОВ СИСТЕМА ТРУБ ЦИЛИНДРА (/) (АВТОМ. ЗАМЕДЛЕНИЕ ОБОРОТОВ)(№-) КОМПОНЕНТЫ ДВИГАТЕЛЯ И ЭЛЕКТРИКА

Схема запчастей Komatsu PC200-3 - АВТОМ. ЗАМЕДЛЕНИЕ ОБОРОТОВ СИСТЕМА ТРУБ ЦИЛИНДРА (/) (АВТОМ. ЗАМЕДЛЕНИЕ ОБОРОТОВ)(№-) КОМПОНЕНТЫ ДВИГАТЕЛЯ И ЭЛЕКТРИКА
FIT
1:1
100%

Артикул

Название

Примечание

Количество

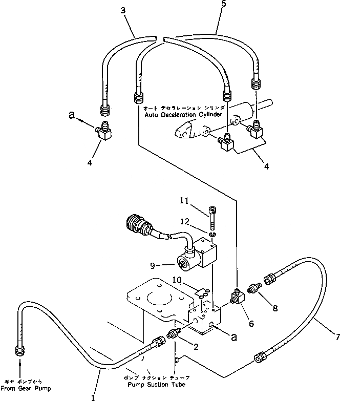
1

07102-20207

HOSE

2

07238-00210

CONNECTOR

3

07102-20207

HOSE

4

205-43-74190

ELBOW

5

07102-20208

HOSE

6

205-43-74180

TEE

7

07102-20206

HOSE

8

07238-00210

CONNECTOR

9

205-43-74221

VALVE,SOLENOID

10

07000-01006

O-RING

11

01252-40550

BOLT

12

01601-20513

WASHER,SPRING

Выбрано товаров: 0