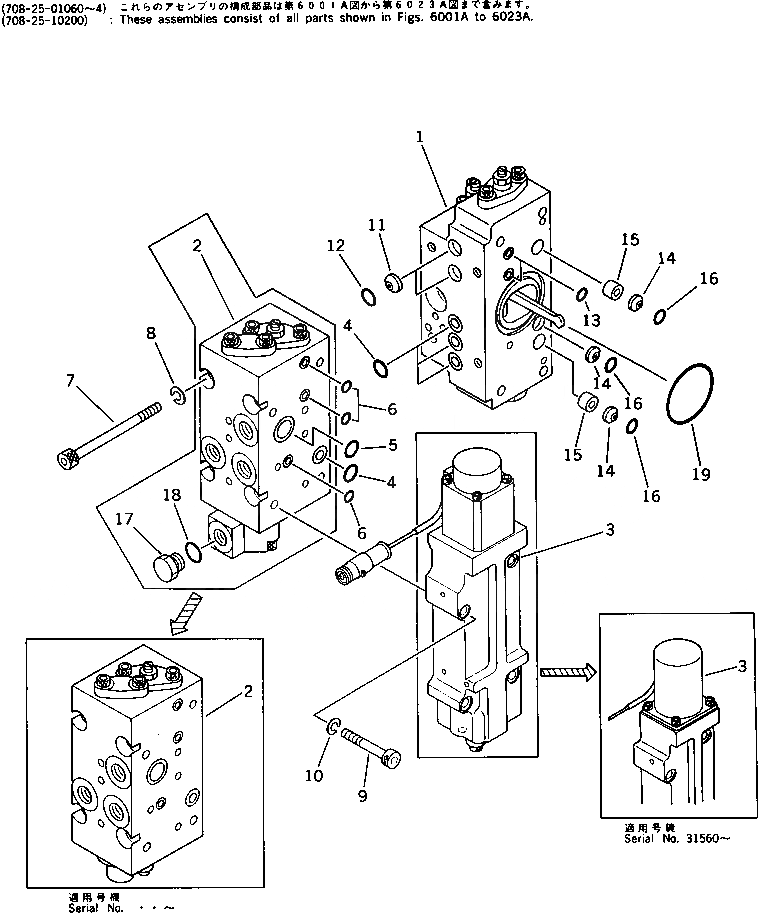
Запчасти Komatsu PC200-3 СЕРВОКЛАПАН¤ ЗАДН. (/) (С -STAGE SELECTOR MODE OLSS) УПРАВЛ-Е РАБОЧИМ ОБОРУДОВАНИЕМ

Схема запчастей Komatsu PC200-3 - СЕРВОКЛАПАН¤ ЗАДН. (/) (С -STAGE SELECTOR MODE OLSS) УПРАВЛ-Е РАБОЧИМ ОБОРУДОВАНИЕМ
FIT
1:1
100%

Артикул

Название

Примечание

Количество

|$0

708-25-01084

PUMP ASS'Y

|$1

708-25-01083

PUMP ASS'Y

|$2

708-25-01082

PUMP ASS'Y

|$3

708-25-01081

PUMP ASS'Y

|$4

708-25-01080

PUMP ASS'Y

|$5

708-25-30200

HYDRAULIC PUMP ASS'Y

|$6

708-25-07232

SERVO VALVE ASS'Y,REAR

|$7

708-25-07231

SERVO VALVE ASS'Y,REAR

|$8

708-25-07230

SERVO VALVE ASS'Y,REAR

|$9

708-25-36600

SERVO VALVE ASS'Y,REAR

1

708-25-36200

VALVE SUB ASS'Y

2

708-25-07631

VALVE ASS'Y,CO AND NC

2

708-25-07630

VALVE ASS'Y,CO AND NC

2

708-25-37600

VALVE ASS'Y,CO AND NC

3

708-25-07730

VALVE ASS'Y,TVC

3

708-25-38600

VALVE ASS'Y,TVC

4

07000-02011

O-RING

5

07000-02018

O-RING

6

07000-11009

O-RING

7

708-25-19160

BOLT

8

01602-20825

WASHER,SPRING

9

708-25-18130

BOLT

9

708-25-19130

BOLT

9

01252-30850

BOLT

10

01602-20825

WASHER,SPRING

11

720-68-11920

FILTER

12

07000-12010

O-RING

13

07000-11009

O-RING

14

720-68-11920

FILTER

15

708-25-19150

ORIFICE

16

07000-12010

O-RING

17

07040-11409

PLUG

18

07002-01423

O-RING

19

07000-03048

O-RING

Выбрано товаров: 34