Запчасти Komatsu PC200-3 ГИДРОЛИНИЯ (ВОЗВРАТ. И МАСЛООХЛАДИТЕЛЬ)(БЕЗ АВТОМ. ЗАМЕДЛЕНИЕ ОБОРОТОВ)(БЕЗ ПОВОРОТН. МЕХАНИЧ. ТОРМОЗ.)(№-79) УПРАВЛ-Е РАБОЧИМ ОБОРУДОВАНИЕМ

Схема запчастей Komatsu PC200-3 - ГИДРОЛИНИЯ (ВОЗВРАТ. И МАСЛООХЛАДИТЕЛЬ)(БЕЗ АВТОМ. ЗАМЕДЛЕНИЕ ОБОРОТОВ)(БЕЗ ПОВОРОТН. МЕХАНИЧ. ТОРМОЗ.)(№-79) УПРАВЛ-Е РАБОЧИМ ОБОРУДОВАНИЕМ
FIT
1:1
100%

Артикул

Название

Примечание

Количество

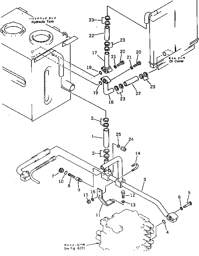
1

205-62-68330

HOSE

2

208-09-11110

CLAMP

3

205-62-71273

TUBE

4

07000-03035

O-RING

5

01010-51085

BOLT

6

01643-31032

WASHER

7

205-62-71971

PLUG

8

135-60-17110

SPRING

9

205-60-71230

POPPET

10

07002-05234

O-RING

11

205-62-71951

BRACKET

12

01010-51230

BOLT

13

01643-31232

WASHER

14

07283-24346

CLIP

15

01599-01011

NUT

16

01643-31032

WASHER

17

205-62-71911

TUBE

18

205-62-71921

TUBE

19

07000-03045

O-RING

20

01010-51070

BOLT

21

01643-31032

WASHER

22

205-62-68330

HOSE

23

208-09-11110

CLAMP

24

07221-20315

NUT

25

07222-00312

PLUG

Выбрано товаров: 0