Запчасти Komatsu PC200-3 ПАНЕЛЬ ПРИБОРОВ (/) (ДЛЯ WRIST УПРАВЛ-Е)(АВТОМ. ЗАМЕДЛЕНИЕ ОБОРОТОВ¤ ПОВОРОТН. МЕХАНИЧ. ТОРМОЗ.¤ -STAGE)(№9-) КОМПОНЕНТЫ ДВИГАТЕЛЯ И ЭЛЕКТРИКА

Схема запчастей Komatsu PC200-3 - ПАНЕЛЬ ПРИБОРОВ (/) (ДЛЯ WRIST УПРАВЛ-Е)(АВТОМ. ЗАМЕДЛЕНИЕ ОБОРОТОВ¤ ПОВОРОТН. МЕХАНИЧ. ТОРМОЗ.¤ -STAGE)(№9-) КОМПОНЕНТЫ ДВИГАТЕЛЯ И ЭЛЕКТРИКА
FIT
1:1
100%

Артикул

Название

Примечание

Количество

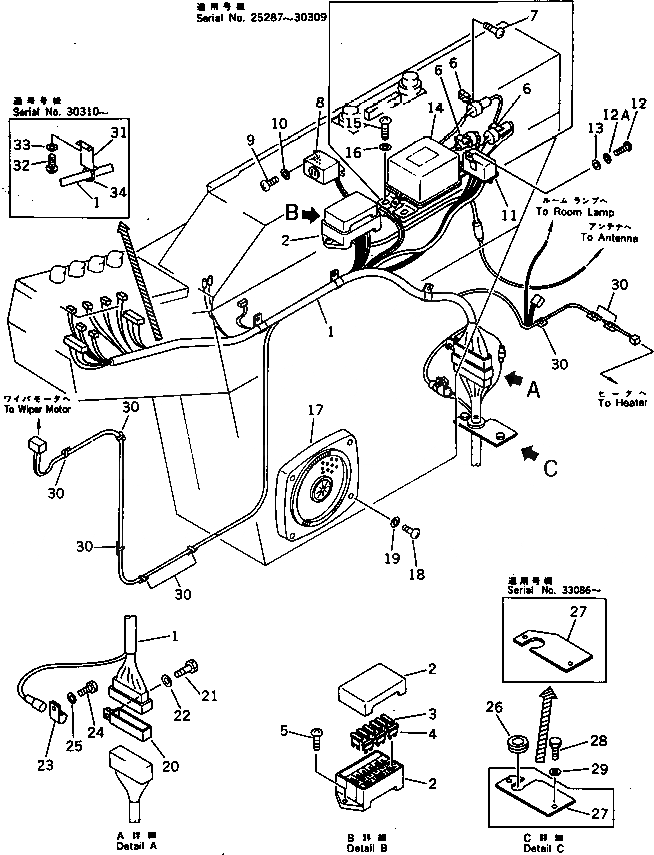
1

207-06-31193

WIRING HARNESS

1

207-06-31192

WIRING HARNESS

1

207-06-31191

WIRING HARNESS

2

205-06-71480

FUSE BOX

3

205-06-73180

FUSE, 15A

4

22W-06-13160

FUSE, 20A

5

01220-40616

SCREW

6

283-06-17130

CLIP

7

01220-40616

SCREW

8

207-06-31160

BUZZER

9

01220-40412

SCREW

10

01642-20405

WASHER

11

206-06-41130

RELAY,HORN

12

01220-40616

SCREW

12A

01602-20619

WASHER,SPRING

13

01643-30623

WASHER

14

7861-72-3000

CONTROLLER ASS'Y

15

01220-40616

SCREW

16

01643-30623

WASHER

17

20G-06-15120

SPEAKER

18

01220-40420

SCREW

19

01641-20405

WASHER

20

142-06-13530

CLIP

21

01010-51220

BOLT

22

01643-31232

WASHER

23

195-06-41830

CLIP

23

08036-02514

CLIP

24

01010-51220

BOLT

25

01643-31232

WASHER

26

205-06-72410

GROMMET

27

205-06-72211

COVER

28

01010-51025

BOLT

29

01643-31032

WASHER

30

205-54-72710

CLIP

31

205-06-72620

PLATE

32

01235-50408

SCREW

33

01641-20405

WASHER

34

08034-00414

BAND

Выбрано товаров: 38