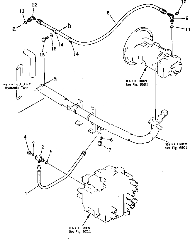
Запчасти Komatsu PC200-3 ГИДРОЛИНИЯ (ДРЕНАЖН.) (ДЛЯ WRIST УПРАВЛ-Е)(№9-8) УПРАВЛ-Е РАБОЧИМ ОБОРУДОВАНИЕМ

Схема запчастей Komatsu PC200-3 - ГИДРОЛИНИЯ (ДРЕНАЖН.) (ДЛЯ WRIST УПРАВЛ-Е)(№9-8) УПРАВЛ-Е РАБОЧИМ ОБОРУДОВАНИЕМ
FIT
1:1
100%

Артикул

Название

Примечание

Количество

1

07102-20508

HOSE

2

205-62-74380

ELBOW

3

07002-01423

O-RING

4

07040-11409

PLUG

5

07002-02434

O-RING

6

07222-00210

PLUG

7

07221-20210

NUT

8

07102-20520

HOSE

9

07236-50522

ELBOW

10

07042-30108

PLUG

11

07002-02434

O-RING

12

07235-10522

ELBOW

13

07002-02434

O-RING

14

08036-02514

CLIP

15

01010-51025

BOLT

16

01643-31032

WASHER

Выбрано товаров: 0