Запчасти Komatsu PC200-3 ГИДРОЛИНИЯ (ЦИЛИНДР КОВША) (ШАССИ) (ДЛЯ MAGIC РУКОЯТЬ) РАБОЧЕЕ ОБОРУДОВАНИЕ

Схема запчастей Komatsu PC200-3 - ГИДРОЛИНИЯ (ЦИЛИНДР КОВША) (ШАССИ) (ДЛЯ MAGIC РУКОЯТЬ) РАБОЧЕЕ ОБОРУДОВАНИЕ
FIT
1:1
100%

Артикул

Название

Примечание

Количество

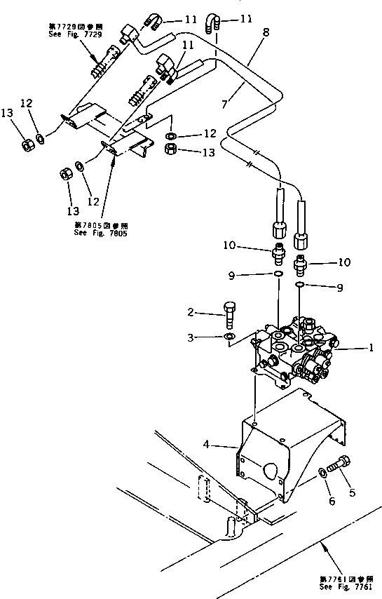
1

700-824-8000

VALVE ASS'Y

2

01010-51225

BOLT

3

01643-31232

WASHER

4

205-917-2320

BRACKET

5

01010-51225

BOLT

6

01643-31232

WASHER

7

205-966-3221

TUBE

8

205-966-3231

TUBE

9

07002-12434

O-RING

10

07230-20522

UNION

10

07230-10522

UNION

11

07283-22236

CLIP

12

01643-31032

WASHER

13

01599-01011

NUT

Выбрано товаров: 14