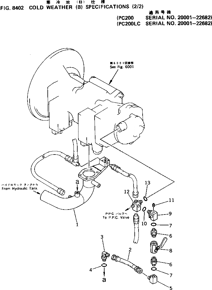
Запчасти Komatsu PC200-3 МОРОЗОУСТОЙЧИВ. СПЕЦ-Я (С ПОВОРОТН. MECAHNICAL ТОРМОЗ.) СПЕЦ-ЯIFICATIONS (/)(№-8) ОПЦИОННЫЕ КОМПОНЕНТЫ

Схема запчастей Komatsu PC200-3 - МОРОЗОУСТОЙЧИВ. СПЕЦ-Я (С ПОВОРОТН. MECAHNICAL ТОРМОЗ.) СПЕЦ-ЯIFICATIONS (/)(№-8) ОПЦИОННЫЕ КОМПОНЕНТЫ
FIT
1:1
100%

Артикул

Название

Примечание

Количество

1

205-62-74460

TUBE

2

07102-20503

HOSE

3

07235-10522

ELBOW

4

07002-02434

O-RING

5

205-62-74450

ELBOW

6

205-62-69670

NIPPLE

7

07002-02434

O-RING

8

208-62-19140

VALVE

9

205-62-74440

ELBOW

10

07002-02434

O-RING

11

07042-30108

PLUG

12

205-62-74430

BLOCK

13

07002-02434

O-RING

Выбрано товаров: 0