Запчасти Komatsu PC200-3 НАСОС ОПЦИОННЫЕ КОМПОНЕНТЫ

Схема запчастей Komatsu PC200-3 - НАСОС ОПЦИОННЫЕ КОМПОНЕНТЫ
FIT
1:1
100%

Артикул

Название

Примечание

Количество

|$0

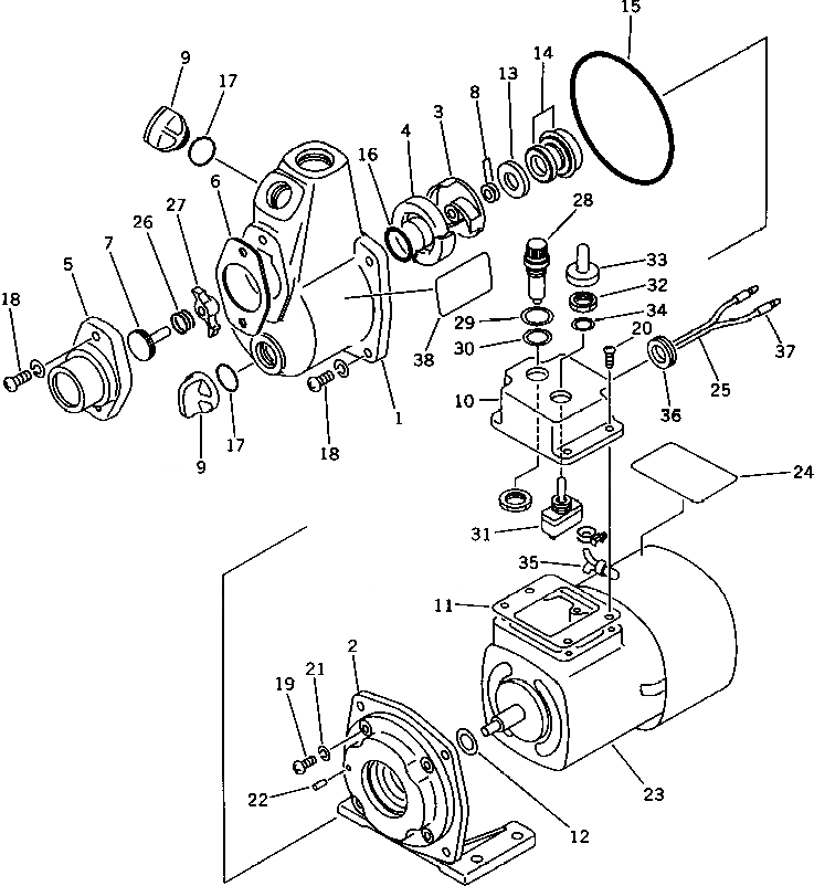
206-04-11130

PUMP

1

206-04-41130

CASE

2

206-04-41140

BRACKET

3

206-04-41150

IMPELLER

4

206-04-41160

CHAMBER

5

206-04-41170

FLANGE

6

206-04-41180

PACKING

7

206-04-41190

CHECK VALVE

8

206-04-41210

WASHER

9

206-04-41220

PLUG

10

206-04-41230

BOX

11

206-04-41240

PACKING

12

206-04-41250

RUBBER

13

206-04-41260

PACKING

14

206-04-41270

SEAL

15

206-04-41280

O-RING

16

206-04-41290

O-RING

17

206-04-41310

O-RING

18

206-04-41320

SCREW

19

206-04-41330

SCREW

20

206-04-41340

SCREW

21

206-04-41350

WASHER

22

206-04-41360

PIN

23

206-04-41370

MOTOR

24

206-04-41380

PLATE, NAME

25

206-04-41390

WIRE

26

206-04-41410

SPRING

27

206-04-41420

SLIDER

28

206-04-41430

HOLDER

29

206-04-41440

WASHER

30

206-04-41450

PACKING

31

206-04-41460

SWITCH

32

206-04-41470

NUT

33

206-04-41480

RUBBER

34

206-04-41490

SEAL

35

206-04-41510

TERMINAL

36

206-04-41520

BUSHING

37

206-04-41530

CONNECTOR

38

206-04-41540

LABEL

Выбрано товаров: 0