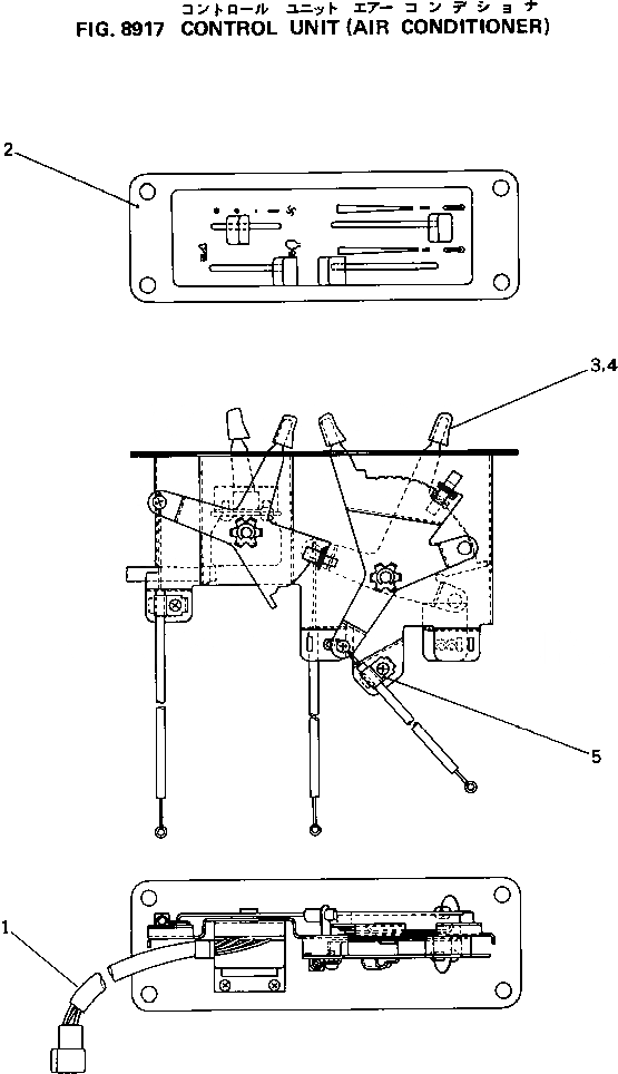
Запчасти Komatsu PC200-3 УПРАВЛ-Е БЛОК (КОНДИЦ. ВОЗДУХА) ОПЦИОННЫЕ КОМПОНЕНТЫ

Схема запчастей Komatsu PC200-3 - УПРАВЛ-Е БЛОК (КОНДИЦ. ВОЗДУХА) ОПЦИОННЫЕ КОМПОНЕНТЫ
FIT
1:1
100%

Артикул

Название

Примечание

Количество

|$0

205-979-6160

CONTROL ASS'Y

1

205-979-7700

SWITCH

2

205-979-7710

ORNAMENT

3

205-979-7720

KNOB

4

205-979-7730

CLIP

5

205-979-7740

CLAMP

Выбрано товаров: 6