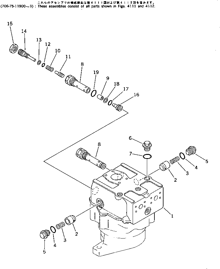
Запчасти Komatsu PC200-3 МОТОР ПОВОРОТА (/) (БЕЗ ПОВОРОТН. МЕХАНИЧ. ТОРМОЗ.) ПОВОРОТН. И СИСТЕМА УПРАВЛЕНИЯ

Схема запчастей Komatsu PC200-3 - МОТОР ПОВОРОТА (/) (БЕЗ ПОВОРОТН. МЕХАНИЧ. ТОРМОЗ.) ПОВОРОТН. И СИСТЕМА УПРАВЛЕНИЯ
FIT
1:1
100%

Артикул

Название

Примечание

Количество

|$0

706-75-11903

SWING MOTOR ASS'Y

|$1

706-75-11902

SWING MOTOR ASS'Y

|$2

706-75-11901

SWING MOTOR ASS'Y

|$3

706-75-11900

SWING MOTOR ASS'Y

1

706-75-41091

BLOCK,CYLINDER

2

706-73-41163

PISTON ASS'Y

3

706-75-42080

SHAFT,CENTER

4

706-75-41220

BALL,CENTER

5

706-75-41110

SPRING

6

706-75-41130

RING,CENTER

7

706-75-40010

BEARING

8

706-75-42840

PLATE,VALVE

9

04020-00820

PIN,DOWEL

10

706-75-42260

RETAINER

10

706-75-41263

RETAINER

11

706-75-42962

SHAFT

11

4706-75-42961

SHAFT

11

706-75-42960

SHAFT,DRIVE

12

706-75-41251

HOLDER

13

706-75-42270

SCREW

13

706-75-41271

SCREW

14

706-75-42051

CASE,BRAKE

14

706-75-42050

CASE

15

07040-11409

PLUG

16

07002-01423

O-RING

17

706-75-42880

BEARING

18

706-76-40890

BEARING

19

706-75-42910

RING

20

706-76-41931

SEAL,OIL

20

706-76-40920

SEAL,OIL

21

07000-03040

O-RING

22

04065-09030

RING,SNAP

23

01530-03912

NUT

24

706-75-40940

WASHER,LOCK

25

01010-51455

BOLT

25

01010-51450

BOLT

26

01602-21442

WASHER,SPRING

27

706-75-42370

O-RING

Выбрано товаров: 38