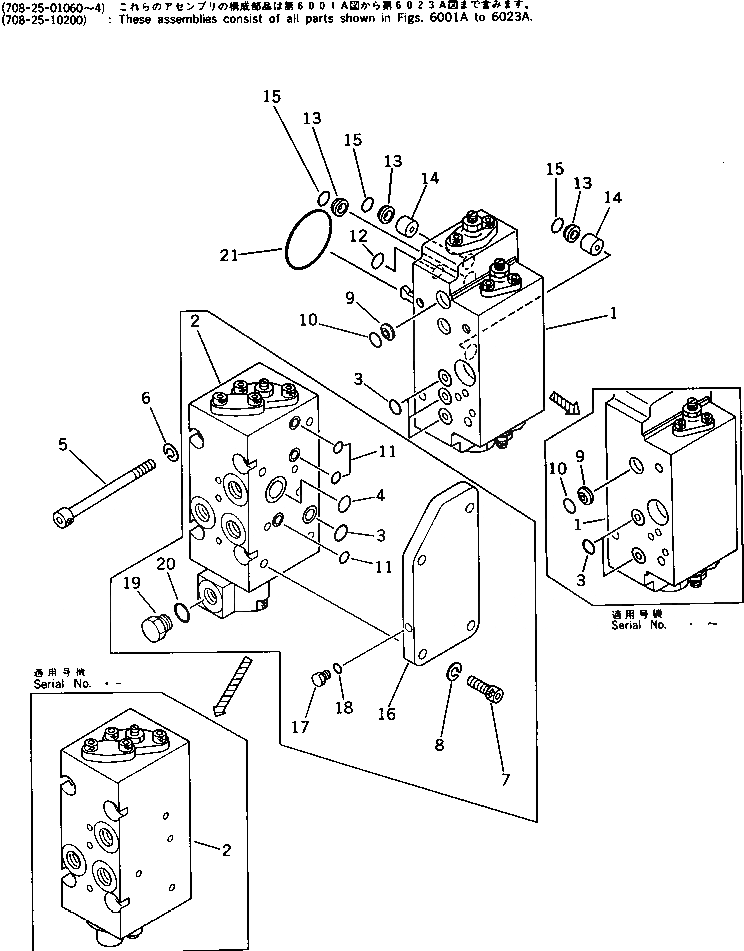
Запчасти Komatsu PC200-3 СЕРВОКЛАПАН¤ ПЕРЕДН. (/) (С -STAGE SELECTOR MODE OLSS) УПРАВЛ-Е РАБОЧИМ ОБОРУДОВАНИЕМ

Схема запчастей Komatsu PC200-3 - СЕРВОКЛАПАН¤ ПЕРЕДН. (/) (С -STAGE SELECTOR MODE OLSS) УПРАВЛ-Е РАБОЧИМ ОБОРУДОВАНИЕМ
FIT
1:1
100%

Артикул

Название

Примечание

Количество

|1

708-25-01064

PUMP ASS'Y

|1

708-25-01063

PUMP ASS'Y

|1

708-25-01062

PUMP ASS'Y

|1

708-25-01061

PUMP ASS'Y

|1

708-25-01060

PUMP ASS'Y

|1

708-25-10200

PUMP ASS'Y

|1

708-25-07111

SERVO VALVE ASS'Y,FRONT

|1

708-25-07110

SERVO VALVE ASS'Y,FRONT

|1

708-25-15100

SERVO VALVE ASS'Y,FRONT

1

708-25-15200

VALVE SUB ASS'Y

2

708-25-07511

VALVE ASS'Y,CO AND NC

|2

708-25-07510

VALVE ASS'Y,CO AND NC

|2

708-25-17200

VALVE ASS'Y,CO AND NC

|2

708-25-17100

VALVE ASS'Y,CO AND NC

3

07000-02011

O-RING

|3

07000-02011

O-RING

4

07000-02018

O-RING

5

708-25-19160

BOLT

6

01602-20825

WASHER,SPRING

7

01252-30835

BOLT

8

01602-20825

WASHER,SPRING

9

720-68-11920

FILTER

|9

720-68-11920

FILTER

10

07000-12010

O-RING

|10

07000-12010

O-RING

11

07000-11009

O-RING

12

07000-11009

O-RING

13

720-68-11920

FILTER

14

708-25-19150

ORIFICE

15

07000-12010

O-RING

16

708-23-18241

PLATE

17

07040-11007

PLUG

18

07002-01023

O-RING

19

07040-11409

PLUG

20

07002-01423

O-RING

21

07000-03048

O-RING

Выбрано товаров: 36