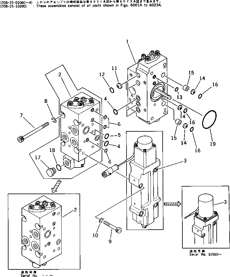
Запчасти Komatsu PC200-3 СЕРВОКЛАПАН¤ ЗАДН. (/) (С -STAGE SELECTOR MODE OLSS) УПРАВЛ-Е РАБОЧИМ ОБОРУДОВАНИЕМ

Схема запчастей Komatsu PC200-3 - СЕРВОКЛАПАН¤ ЗАДН. (/) (С -STAGE SELECTOR MODE OLSS) УПРАВЛ-Е РАБОЧИМ ОБОРУДОВАНИЕМ
FIT
1:1
100%

Артикул

Название

Примечание

Количество

|1

708-25-01064

PUMP ASS'Y

|1

708-25-01063

PUMP ASS'Y

|1

708-25-01062

PUMP ASS'Y

|1

708-25-01061

PUMP ASS'Y

|1

708-25-01060

PUMP ASS'Y

|1

708-25-10200

PUMP ASS'Y

|1

708-25-07212

SERVO VALVE ASS'Y,REAR

|1

708-25-07211

SERVO VALVE ASS'Y,REAR

|1

708-25-07210

SERVO VALVE ASS'Y,REAR

|1

708-25-16600

SERVO VALVE ASS'Y,REAR

1

708-25-16200

VALVE ASS'Y,SERVO

2

708-25-07611

VALVE ASS'Y,CO AND NC

|2

708-25-07610

VALVE ASS'Y,CO AND NC

|2

708-25-17100

VALVE ASS'Y,CO AND NC

3

708-25-07710

VALVE ASS'Y,TVC

|3

708-25-18600

VALVE ASS'Y,TVC

4

07000-02011

O-RING

5

07000-02018

O-RING

6

07000-11009

O-RING

7

708-25-19160

BOLT

8

01602-20825

WASHER,SPRING

9

708-25-18130

BOLT

|9

708-25-19130

BOLT

|9

01252-30850

BOLT

10

01602-20825

WASHER,SPRING

11

720-68-11920

FILTER

12

07000-12010

O-RING

13

07000-11009

O-RING

14

720-68-11920

FILTER

15

708-25-19150

ORIFICE

16

07000-12010

O-RING

17

07040-11409

PLUG

18

07002-01423

O-RING

19

07000-03048

O-RING

Выбрано товаров: 34