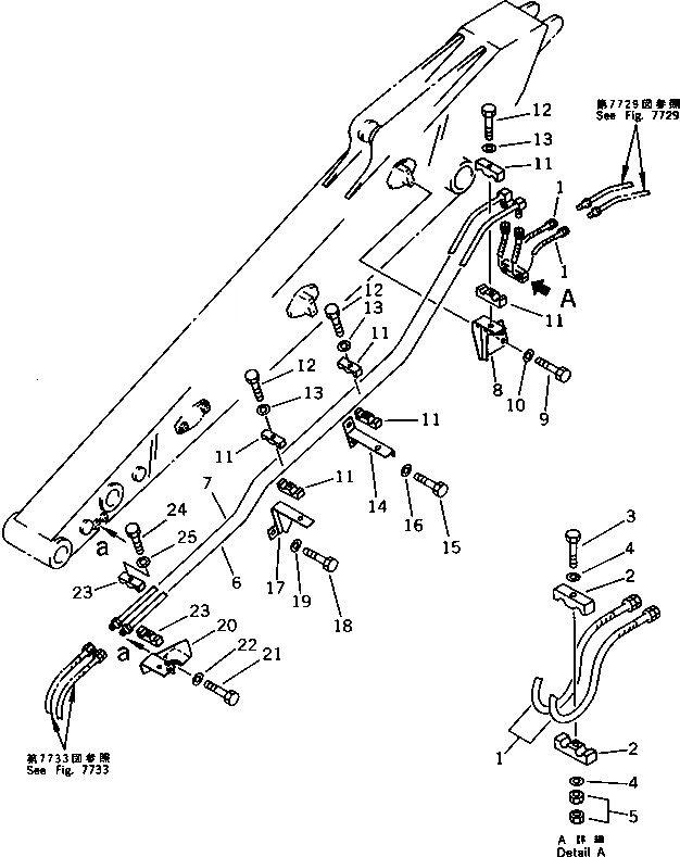
Запчасти Komatsu PC200-3 ГИДРОЛИНИЯ (/) (ЦИЛИНДР КОВША) (ДЛЯ MAGIC РУКОЯТЬ) РАБОЧЕЕ ОБОРУДОВАНИЕ

Схема запчастей Komatsu PC200-3 - ГИДРОЛИНИЯ (/) (ЦИЛИНДР КОВША) (ДЛЯ MAGIC РУКОЯТЬ) РАБОЧЕЕ ОБОРУДОВАНИЕ
FIT
1:1
100%

Артикул

Название

Примечание

Количество

1

07071-40311

HOSE

2

205-917-2250

CLAMP

3

01010-51275

BOLT

4

01643-31232

WASHER

5

01580-11210

NUT

6

205-917-2130

TUBE

7

205-917-2150

TUBE

8

205-917-1940

BRACKET

9

01010-51225

BOLT

10

01643-31232

WASHER

11

205-917-1930

CLAMP

12

01010-51250

BOLT

13

01643-31232

WASHER

14

205-917-1960

BRACKET

15

01010-51225

BOLT

16

01643-31232

WASHER

17

205-917-1970

BRACKET

18

01010-51225

BOLT

19

01643-31232

WASHER

20

205-917-1990

BRACKET

21

01010-51225

BOLT

22

01643-31232

WASHER

23

205-917-2120

CLAMP

24

01010-51250

BOLT

25

01643-31232

WASHER

Выбрано товаров: 0