Запчасти Komatsu PC200-3 МОРОЗОУСТОЙЧИВ. СПЕЦ-Я (С ПОВОРОТН. МЕХАНИЧ. ТОРМОЗ.) СПЕЦ-ЯIFICATIONS (/) ОПЦИОННЫЕ КОМПОНЕНТЫ

Схема запчастей Komatsu PC200-3 - МОРОЗОУСТОЙЧИВ. СПЕЦ-Я (С ПОВОРОТН. МЕХАНИЧ. ТОРМОЗ.) СПЕЦ-ЯIFICATIONS (/) ОПЦИОННЫЕ КОМПОНЕНТЫ
FIT
1:1
100%

Артикул

Название

Примечание

Количество

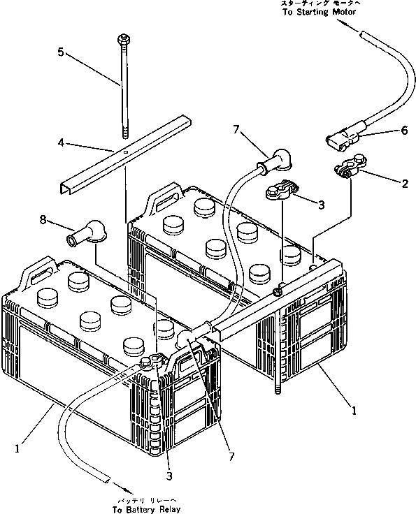
1

207-06-11790

BATTERY (195G51)

2

08000-00000

TERMINAL¤ (+)

3

08000-00001

TERMINAL¤ (-)

4

205-06-51380

CLAMP

5

202-09-11120

BOLT

6

08038-22009

CAP

7

08038-22009

CAP

|7

08038-00035

CAP

8

08038-22009

CAP

Выбрано товаров: 9