Запчасти Komatsu PC200-3 ВОЗДУХОВОД И КОМПОНЕНТЫ КОНДИЦИОНЕРА(№777-) ОПЦИОННЫЕ КОМПОНЕНТЫ

Схема запчастей Komatsu PC200-3 - ВОЗДУХОВОД И КОМПОНЕНТЫ КОНДИЦИОНЕРА(№777-) ОПЦИОННЫЕ КОМПОНЕНТЫ
FIT
1:1
100%

Артикул

Название

Примечание

Количество

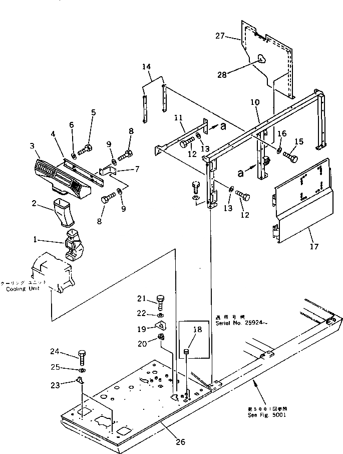
1

205-979-6120

DUCT

2

205-979-6140

DUCT

3

205-979-6130

DUCT

4

205-979-6171

BRACKET

5

01010-50812

BOLT

6

01643-30823

WASHER

7

205-979-1240

BRACKET

8

01010-50816

BOLT

9

01643-30823

WASHER

10

205-978-7340

FRAME

11

205-978-7330

BRACKET

12

01010-51225

BOLT

13

01643-31232

WASHER

14

205-979-6211

PLATE

15

01010-51235

BOLT

16

01643-31232

WASHER

17

205-978-7350

DOOR

18

09415-02520

CAP

19

205-979-1270

COVER

20

205-979-1280

SEAL

21

01010-51020

BOLT

22

01643-31032

WASHER

23

22D-62-14560

CLAMP

24

01010-50816

BOLT

25

01643-30823

WASHER

26

205-979-1360

FRAME

27

205-979-1371

COVER

|27

205-979-1370

COVER

28

205-54-75532

SHEET

Выбрано товаров: 0