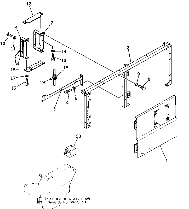
Запчасти Komatsu PC200-3 CAR ОХЛАДИТЕЛЬ КОМПОНЕНТЫ (ДЛЯ WRIST УПРАВЛ-Е)(№788-) ОПЦИОННЫЕ КОМПОНЕНТЫ

Схема запчастей Komatsu PC200-3 - CAR ОХЛАДИТЕЛЬ КОМПОНЕНТЫ (ДЛЯ WRIST УПРАВЛ-Е)(№788-) ОПЦИОННЫЕ КОМПОНЕНТЫ
FIT
1:1
100%

Артикул

Название

Примечание

Количество

1

205-978-7350

DOOR

2

205-978-7340

FRAME

3

205-978-7330

BRACKET

4

01010-51230

BOLT

5

01643-31232

WASHER

6

205-978-7390

BRACKET

7

205-978-6541

BRACKET

8

01010-51225

BOLT

9

01643-31232

WASHER

10

01010-50830

BOLT

11

01643-30823

WASHER

12

205-978-6660

PLATE

13

01010-50820

BOLT

14

01643-30823

WASHER

15

205-978-6670

PLATE

16

01010-51230

BOLT

17

01643-31232

WASHER

18

205-62-55780

COVER

19

08034-00536

BAND

20

205-978-7410

COVER

Выбрано товаров: 20