Запчасти Komatsu PC200-5 ГИДР. БАК. ФИЛЬТР. УПРАВЛ-Е РАБОЧИМ ОБОРУДОВАНИЕМ

Схема запчастей Komatsu PC200-5 - ГИДР. БАК. ФИЛЬТР. УПРАВЛ-Е РАБОЧИМ ОБОРУДОВАНИЕМ
8
9
6
7
5
4
3
25
26
2
15
16
20
19
18
17
23
24
22
1
21
14
10
27
21
11
28
29
13
12
FIT
1:1
100%

Артикул

Название

Примечание

Количество

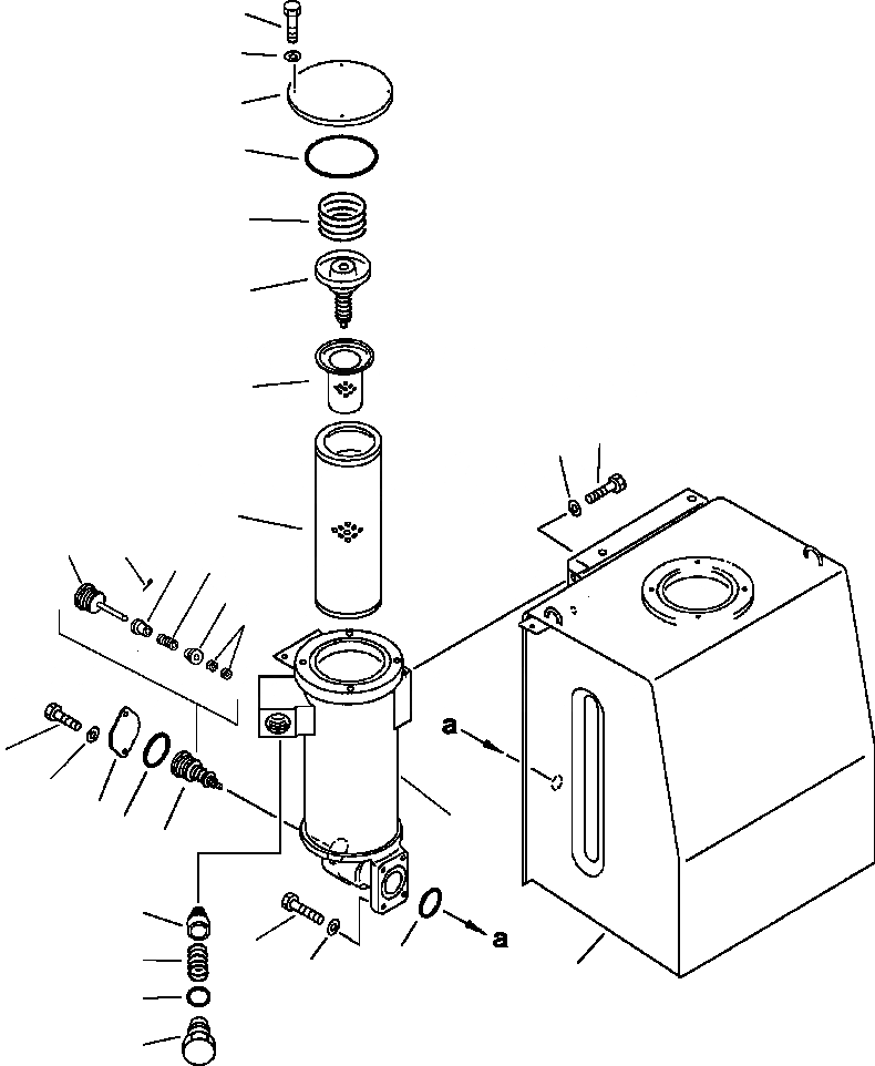
1

20Y-60-11142

CASE, HYDRAULIC FILTER

2

07063-01210

ELEMENT, HYDRAULIC FILTER

3

206-60-41221

STRAINER

4

12R-60-11300

VALVE ASSEMBLY, BYPASS

5

12R-60-11390

SPRING

6

205-60-71141

COVER, HYDRAULIC FILTER

6

20Y-970-1830

COVER, HYDRAULIC FILTER

7

07000-05180

O-RING

8

01010-51230

BOLT

9

01643-31232

WASHER

10

205-60-71230

POPPET

11

20Y-60-11530

SPRING

12

20Y-60-11540

PLUG

13

07002-05234

O-RING

14

205-60-71270

VALVE

15

205-60-71310

HOLDER

16

04050-02015

COTTER PIN

17

01580-00806

NUT

18

205-60-71280

COLLAR

19

205-60-51360

SPRING

20

205-60-71290

COLLAR

21

07000-02080

O-RING

22

20Y-60-11390

PLATE

23

01010-51230

BOLT

24

01643-31232

WASHER

25

01010-51225

BOLT

26

01643-31232

WASHER

27

01010-51245

BOLT

28

01643-31232

WASHER

Выбрано товаров: 29